Aprašymas

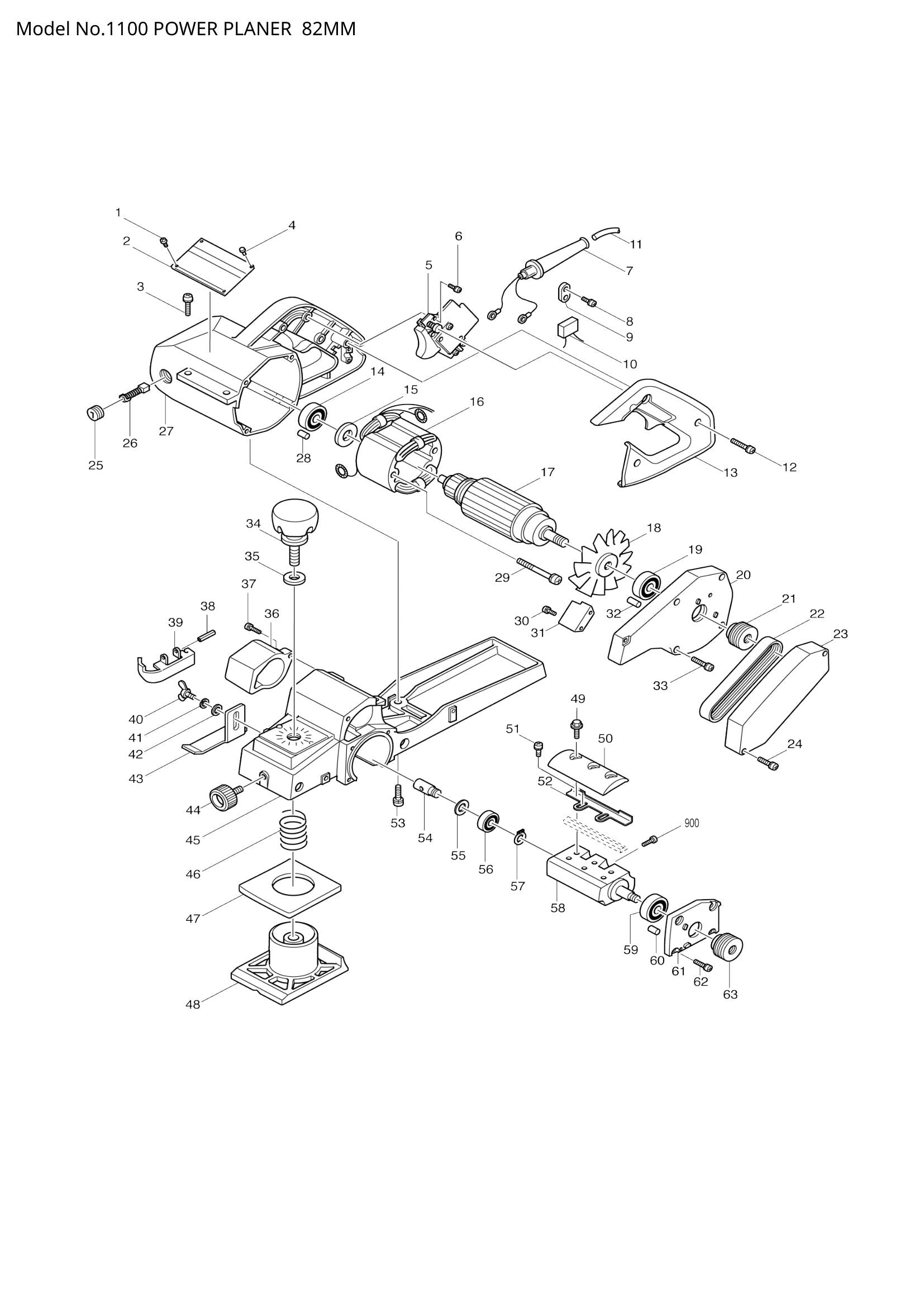
- 001 pozicija – Varžtas su pusapvale galvute M3X6 (SKU: 911001-2)
- 002 pozicija – PAVADINIMO LENTELĖ 1100 (SKU: 811751-8)
- 003 pozicija – Varžtas su pusapvale galvute M5X18 (SKU: 911228-4)
- Pozicija 004 – KNIEDĖ 0-5 (SKU: 953106-2)
- 012 pozicija – Varžtas su pusapvale galvute M4X28 (SKU: 911153-9)
- 014 pozicija – 6200LB rutulinis guolis (SKU: 211068-3)
- Pozicija 018 – FAN 80 (SKU: 241001-1)
- Pozicija 019 – Rutulinis guolis 6200LLB (SKU: 211066-7)
- 021 pozicija – V formos skriemulys 5-26,5 l (SKU: 222002-8)
- 022 pozicija – POLY V-BELT 5-285 (SKU: 225001-9)
- 024 pozicija – Varžtas su plokščia galvute M4X25 (SKU: 911148-2)
- 025 pozicija – ŠEPETĖLIŲ LAIKIKLIO DANGTELIS 6-10 (SKU: 643600-9)
- 030 pozicija – Varžtas su pusapvale galvute M4X6 (SKU: 911101-8)
- 031 pozicija – DANGTELIS (SKU: 342148-5)
- 033 pozicija – Varžtas su plokščia galvute M4X25 (SKU: 911146-6)
- Pozicija 034 – RANKENA 50 (SKU: 271226-3)
- 035 pozicija – PLOKŠČIA POVERŽLĖ 10 (SKU: 941251-5)
- 038 pozicija – SPYRUOKLĖS KAIŠTIS 4-40 (SKU: 951131-7)
- 040 pozicija – SPARNAS VARŽTAS M5X10 (SKU: 924206-5)
- 041 pozicija – SPYRUOKLINĖ POVERŽLĖ 5 (SKU: 942101-7)
- 042 pozicija – PLOKŠČIA POVERŽLĖ 5 (SKU: 941101-4)
- 043 pozicija – GYLIO LENTELĖ (SKU: 342001-5)
- 044 pozicija – VARŽTAS M6X13 (SKU: 251804-5)
- 046 pozicija – SUSPAUDIMO SPYRUOKLĖ 17 (SKU: 231001-9)
- 047 pozicija – GUMINIS TARPIKLIS (SKU: 421001-9)
- 049 pozicija – Šešiakampis flanšo galvutės varžtas M6X17 (SKU: 251609-3)
- 051 pozicija – + SKRIEGAMAS SU GALVUTE M4X5 (SKU: 251246-3)
- 054 pozicija – BŪGNINIS UŽPAKALINIS VELENAS (SKU: 323001-4)
- 055 pozicija – PLOKŠČIA POVERŽLĖ 8 (SKU: 253139-0)
- 057 pozicija – TVIRTINIMO ŽIEDAS (IŠORINIS) S-8 (SKU: 961004-6)
- Pozicija 058 – BŪGNAS (SKU: 161048-8)
- 059 pozicija – RUTULINIS GUOLIS 6201ZZ (SKU: 211107-9)
- 060 pozicija – GUMINIS KAIŠTELIS 6 (SKU: 263005-3)
- 062 pozicija – Varžtas su plokščia galvute M4X14 (SKU: 911121-2)
- 063 pozicija – V formos skriemulys 5-29,4 (SKU: 222001-0)
- 404 pozicija – VADOVINĖ TAISYKLĖ (SKU: 161046-2)
- 406 pozicija – MATAVIMO PLOKŠTELĖ (SKU: 411086-3)
- 407 pozicija – Varžtas su plokščia galvute M5X18 (SKU: 911228-4)
- 408 pozicija – AŠMENŲ MATUOKLIO MONTURAS (SKU: 123062-2)
- 410 pozicija – 9 colių įstrižinis lizdas (SKU: 782209-3)
- 905 pozicija – NUSTATYTA PLOKŠTELĖ F/MINI AŠMENIMS (SKU: 343433-9)
Mokėjimas ir saugumas
Jūsų mokėjimo informacija apdorojama saugiai. Mes nesaugome kredito kortelės duomenų ir neturime prieigos prie jūsų kredito kortelės informacijos.