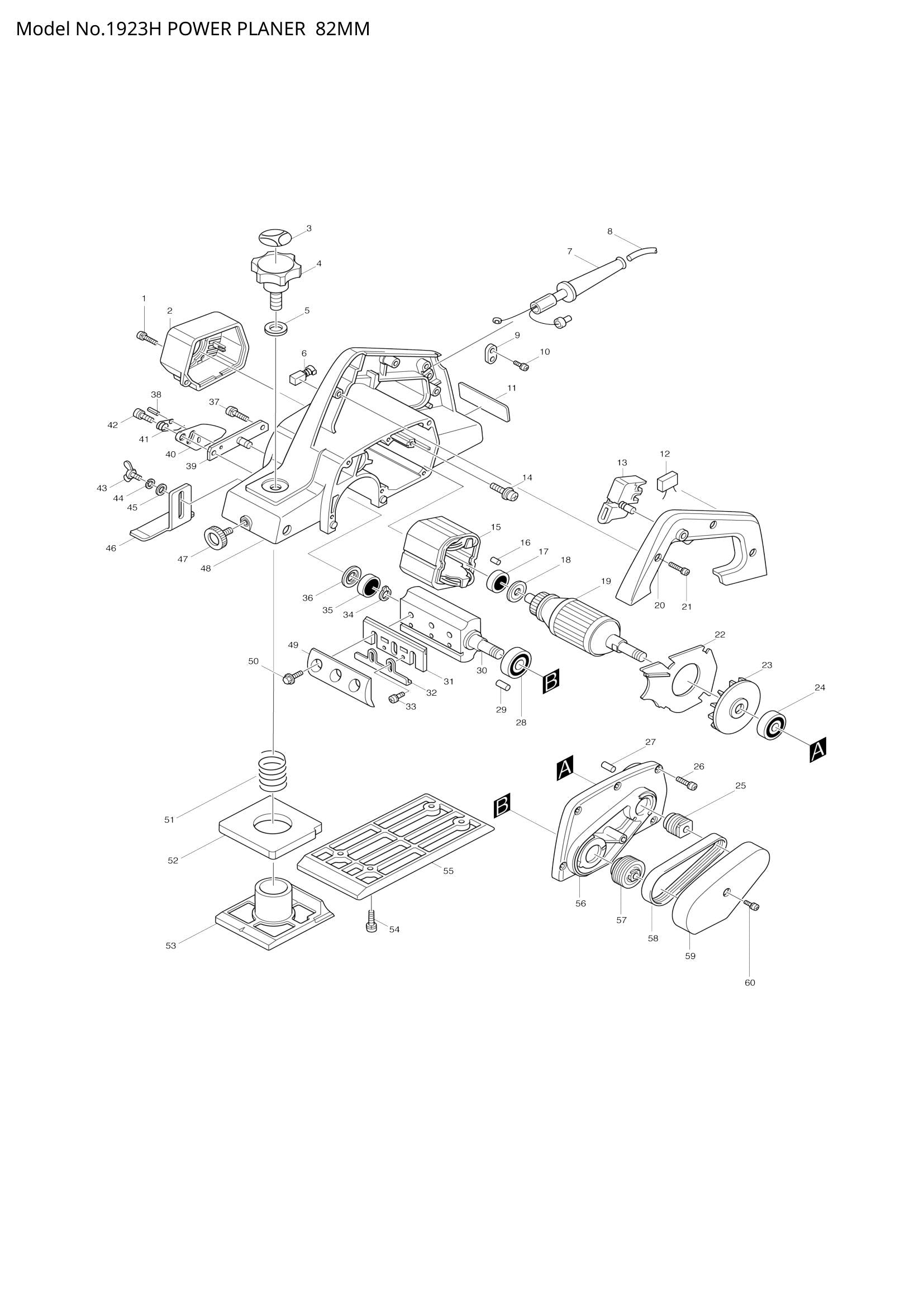
Išskleistas vaizdas – 1923H


Price:
Sale price€0,00

Description

1923H išsprogdintas vaizdas
  • 002 pozicija – GALINIS DANGTELIS (SKU: 410828-2)
  • 003 pozicija – SVARSTYKLIŲ ETIKETĖ (SKU: 816601-2)
  • 004 pozicija – RANKENA 46 (SKU: 271231-0)
  • 005 pozicija – PLOKŠČIA POVERŽLĖ 10 (SKU: 941251-5)
  • 011 pozicija – PAVADINIMO LENTELĖ 1923H (SKU: 855640-7)
  • 014 pozicija – Varžtas su plokščia galvute M5X16 (SKU: 911224-2)
  • 016 pozicija – GUMINIS KAIŠTELIS 4 (SKU: 263014-2)
  • 017 pozicija – RUTULINIS GUOLIS 608LLB (SKU: 211031-6)
  • 018 pozicija – IZOLIACINĖ POVERŽLĖ (SKU: 681613-2)
  • 021 pozicija – Varžtas su plokščia galvute M4X30 (SKU: 911158-9)
  • 022 pozicija – DEPILIATORIUS (SKU: 410827-4)
  • Pozicija 023 – FAN 65 (SKU: 241836-0)
  • 024 pozicija – RUTULINIS GUOLIS 6200LLB (SKU: 211066-7)
  • 027 pozicija – GUMINIS KAIŠTELIS 4 (SKU: 263002-9)
  • 028 pozicija – RUTULINIS GUOLIS 6200ZZ (SKU: 211067-5)
  • 029 pozicija – GUMINIS KAIŠTELIS 4 (SKU: 263002-9)
  • 034 pozicija – TVIRTINIMO ŽIEDAS S-7 (SKU: 961003-8)
  • 036 pozicija – GUOLIAI FIKSUOJAMAS 7-21 (SKU: 285637-6)
  • 037 pozicija – Varžtas su plokščia galvute M5X18 (SKU: 911226-8)
  • 041 pozicija – SUKIMO SPYRUOKLĖ 10 (SKU: 231504-3)
  • 043 pozicija – SPARNAS VARŽTAS M5X10 (SKU: 924206-5)
  • 044 pozicija – SPYRUOKLINĖ POVERŽLĖ 5 (SKU: 942101-7)
  • 045 pozicija – PLOKŠČIA POVERŽLĖ 5 (SKU: 941101-4)
  • 046 pozicija – GYLIO LENTELĖ (SKU: 342390-8)
  • 047 pozicija – VARŽTAS M5X10 (SKU: 251812-6)
  • 048 pozicija – PAGRINDINIS RĖMAS (SKU: 157661-8)
  • 052 pozicija – GUMINIS TARPIKLIS (SKU: 421007-7)
  • 055 pozicija – BAZĖ (SKU: 312023-9)
  • 059 pozicija – DIRŽO APSAUGA (SKU: 410826-6)
  • 902 pozicija – NUSTATYTI BLOKKĄ (SKU: 331232-1)
  • 903 pozicija – NUSTATYTI LĖKŠTĘ (SKU: 342647-7)
  • 904 pozicija – TRIKAMPIO TAISYKLĖ (SKU: 762001-3)
  • 905 pozicija – 8 veržliaraktis (SKU: 781213-9)
  • 906 pozicija – Šešiakampis veržliaraktis 2,5 (SKU: 783208-8)
  • 915 pozicija – PLOKŠČIA POVERŽLĖ 5 (SKU: 253807-5)
  • 917 pozicija – SLYDIMO PLOKŠTELĖ (SKU: 343947-8)

You may also like

Recently viewed