Aprašymas

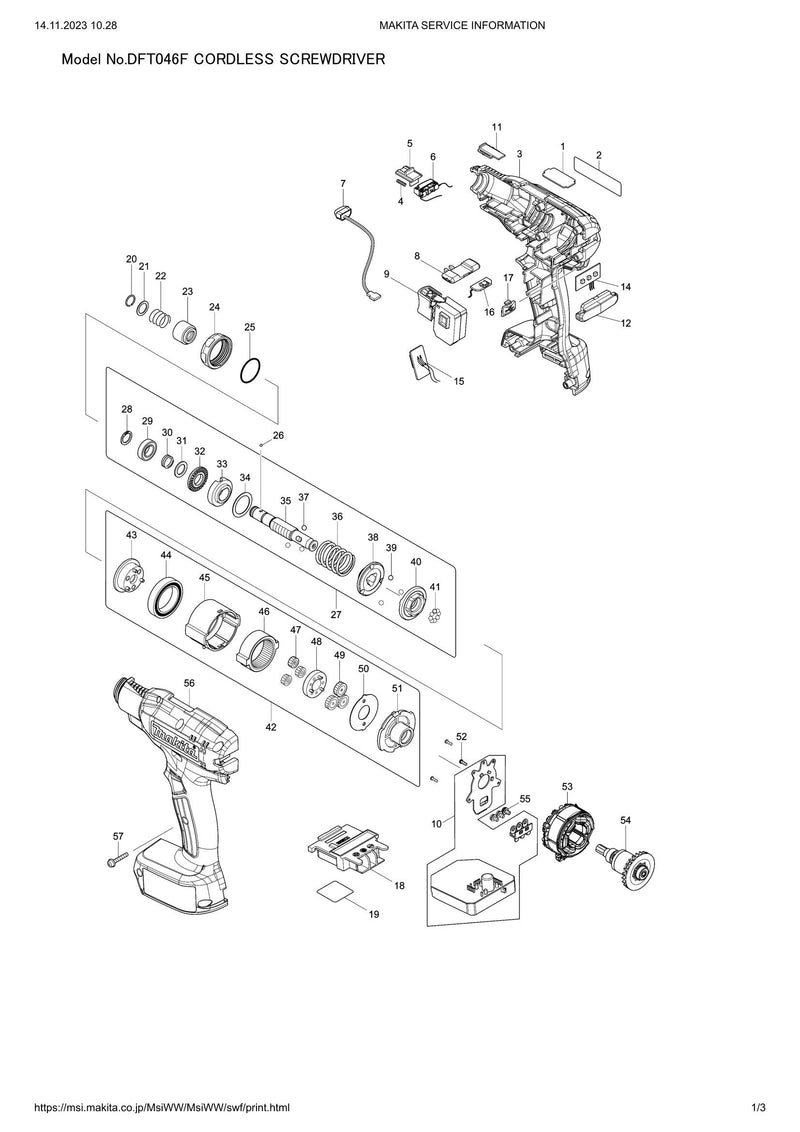
- 001 pozicija – G LENTELĖ (SKU: 345343-6)
- 002 pozicija – DFT046F PAVADINIMO LENTELĖ (SKU: 854M15-5)
- 003 pozicija – KORPUSŲ RINKINYS (SKU: 183F88-2)
- 004 pozicija – SUSPAUDIMO SPYRUOKLĖ 2 (SKU: 233025-1)
- 006 pozicija – JUNGIKLIO BLOKAS (SKU: 632K18-5)
- 007 pozicija – LED GRANDINĖ (SKU: 620521-2)
- 008 pozicija – PIRKYMO/GALINIO PAVAROS KEITIMO SVIRTIS (SKU: 457469-3)
- 009 pozicija – JUNGIKLIS C3JW-1B-S (SKU: 651082-1)
- 010 pozicija – VALDIKLIS (SKU: 620932-1)
- Pozicija 011 – KEITIMO LĖKŠTĖ (SKU: 457526-7)
- Pozicija 012 – LĘŠIS (SKU: 457484-7)
- 014 pozicija – LED GRANDINĖ (SKU: 620622-6)
- 015 pozicija – SIGNALIZATORIAUS GRANDINĖ (SKU: 620621-8)
- 016 pozicija – USB GRANDINĖ (SKU: 620623-4)
- 017 pozicija – USB DANGTELIS SU KOMPLEKTU (SKU: 144709-5)
- 018 pozicija – TERMINALAS (SKU: 643850-6)
- Pozicija 019 – DFT046F SERIJOS NR. ETIKETĖ (SKU: 854M16-3)
- 020 pozicija – ŽIEDO SPYRUOKLĖ 9 (SKU: 233930-2)
- Pozicija 021 – PLOKŠČIA POVERŽLĖ 10 (SKU: 267070-4)
- 022 pozicija – SUSPAUDIMO SPYRUOKLĖ 10A (SKU: 232374-3)
- Pozicija 023 – ANTGALIO ĮVORĖ (SKU: 161607-8)
- 024 pozicija – FIKSAVIMO VERŽLĖ M28 JUODA (SKU: 457530-6)
- 025 pozicija – O-ŽIEDAS 22 (SKU: 213836-0)
- Pozicija 026 – PLIENINIS RUTULYS 2.4 (SKU: 216015-9)
- 027 pozicija – Sankabos mazgas 4M (SKU: 123939-1)
- 028 pozicija – TVIRTINIMO ŽIEDAS S-10 (SKU: 961026-6)
- Pozicija 029 – Rutulinis guolis 6800LLB (SKU: 210076-1)
- 031 pozicija – PLOKŠČIA POVERŽLĖ 10 (SKU: 267047-9)
- 032 pozicija – FIKSAVIMO VERŽLĖ M12 (SKU: 326953-8)
- 033 pozicija – REGULIAVIMO ŽIEDAS UŽBAIGTAS (SKU: 144421-7)
- 034 pozicija – PLOKŠČIA POVERŽLĖ 18 (SKU: 253391-0)
- 035 pozicija – VELKSAS M (SKU: 326944-9)
- 036 pozicija – SUSPAUDIMO SPYRUOKLĖ 18B (SKU: 232373-5)
- Pozicija 037 – PLIENINIS RUTULYS 4 (SKU: 216024-8)
- 038 pozicija – CAM A (SKU: 223185-7)
- Pozicija 039 – PLIENINIS RUTULYS 4 (SKU: 216024-8)
- 040 pozicija – CAM B (SKU: 223186-5)
- Pozicija 041 – PLIENINIS RUTULYS 3,5 (SKU: 216001-0)
- 042 pozicija – PAVAROS MAZGAS B (SKU: 123970-7)
- 043 pozicija – NEŠIOKLĖ, PILNAS B (SKU: 144424-1)
- 044 pozicija – RUTULINIS GUOLIS 6805LLB (SKU: 211375-4)
- 045 pozicija – PAVARŲ DĖŽĖ (SKU: 457529-1)
- 046 pozicija – VIDINĖ PAVARA 47 (SKU: 221546-5)
- 047 pozicija – CENTRINIS KRUMPLIARATIS 13 (SKU: 221543-1)
- 048 pozicija – 20 dantračių krumpliaračių komplektas (SKU: 144422-5)
- 049 pozicija – CENTRINIS KRUMPLIARATIS 18 (SKU: 221544-9)
- 050 pozicija – FIKSAVIMO POVERŽLĖ (SKU: 267774-8)
- 051 pozicija – VARIKLIO LAIKIKLIS (SKU: 418003-4)
- 052 pozicija – SRIEGIKLIS PT 2X6 (SKU: 266490-9)
- 053 pozicija – STATORIUS (SKU: 629261-9)
- 054 pozicija – ROTORIUS (SKU: 619440-7)
- 055 pozicija – PLOKŠČIA GALVUTĖ M3X6 (SKU: 652069-6)
- 056 pozicija – KORPUSŲ RINKINYS (SKU: 183F88-2)
- 057 pozicija – Varžtas su plokščia galvute M3X20 (SKU: 265095-2)
Mokėjimas ir saugumas
Jūsų mokėjimo informacija apdorojama saugiai. Mes nesaugome kredito kortelės duomenų ir neturime prieigos prie jūsų kredito kortelės informacijos.