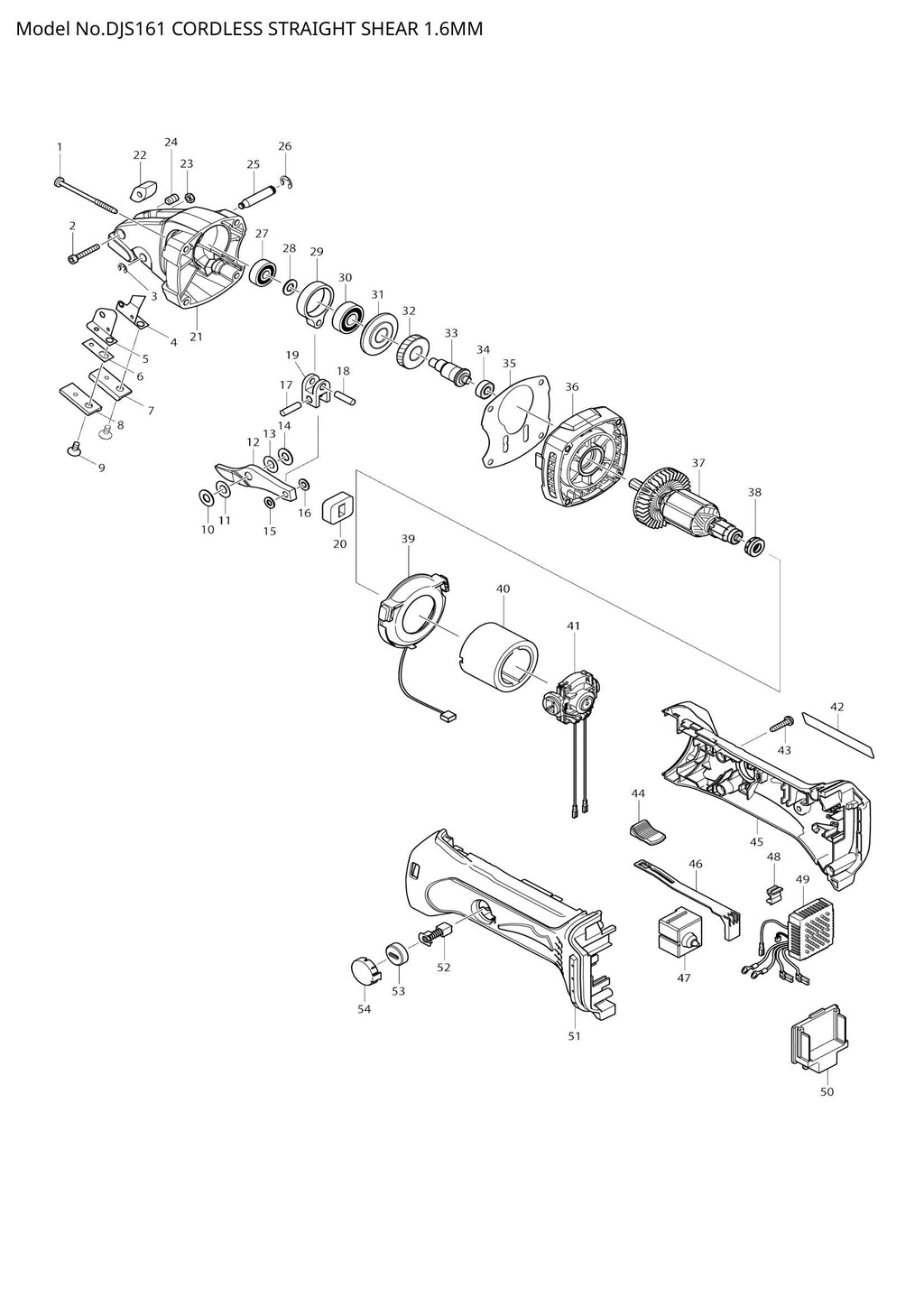
Išskleistas vaizdas – DJS161


Kaina:
Pardavimo kaina€0,00
Atsargos:
Sandėlyje

Aprašymas

DJS161 išskleistas vaizdas DJS161 išskleistas vaizdas
  • 001 pozicija – Sriegiklis 4X50 (SKU: 266091-3)
  • 002 pozicija – Šešiakampis varžtas su lizdine galvute M4X25 (SKU: 922147-9)
  • 003 pozicija – STOP ŽIEDAS E-4 (SKU: 961011-9)
  • 004 pozicija – SLYDIMO PLOKŠTELĖ R (SKU: 346131-4)
  • 005 pozicija – SLYDIMO PLOKŠTELĖ L (SKU: 343480-0)
  • Pozicija 006 – TARPIKLĖ (SKU: 343481-8)
  • 007 pozicija – ŠONINIŲ AŠMENŲ RINKINYS (SKU: 792533-6)
  • 009 pozicija – ŠEŠIARKINIS LIZDAS, CSH VARŽTAS M5X1 (SKU: 251951-2)
  • 011 pozicija – PLONA POVERŽLĖ 7 (SKU: 253338-4)
  • 012 pozicija – CENTRINIS AŠMENYS (SKU: 792534-4)
  • 013 pozicija – PLONA POVERŽLĖ 7 (SKU: 253338-4)
  • 015 pozicija – PLOKŠČIA POVERŽLĖ 5 (SKU: 267010-2)
  • Pozicija 016 – PLOKŠČIA POVERŽLĖ 5 (SKU: 267010-2)
  • 017 pozicija – PIN kodas 5 (SKU: 256155-1)
  • 018 pozicija – PIN kodas 5 (SKU: 256155-1)
  • Pozicija 019 – NUORODA (SKU: 331329-6)
  • Pozicija 020 – DULKIŲ APSAUGA (SKU: 423118-4)
  • 022 pozicija – BLOKAS (SKU: 325727-4)
  • 023 pozicija – Šešiakampė fiksavimo veržlė M4-7 (SKU: 252083-8)
  • 024 pozicija – HS tipo įstatomas varžtas (plokštas galas) M6X (SKU: 266085-8)
  • 025 pozicija – PIN kodas 7 (SKU: 256733-7)
  • 026 pozicija – STOP ŽIEDAS E-6 (SKU: 961012-7)
  • 027 pozicija – RUTULINIS GUOLIS 627DDW (SKU: 210023-2)
  • 028 pozicija – PLOKŠČIA POVERŽLĖ 7 (SKU: 253133-2)
  • Pozicija 029 – ROD (SKU: 331273-7)
  • 030 pozicija – RUTULINIS GUOLIS 6000ZZ (SKU: 210067-2)
  • 031 pozicija – SANDARINIMO VARŽTAS (SKU: 325716-9)
  • 032 pozicija – SPIRALINĖ PAVARA 34 (SKU: 227716-4)
  • 033 pozicija – alkūninis velenas (SKU: 325715-1)
  • 034 pozicija – RUTULINIS GUOLIS 696ZZ (SKU: 210033-9)
  • 035 pozicija – TARPIKLIS (SKU: 442150-9)
  • 036 pozicija – PAVAROS KORPUSAS, KOMPLEKSAS (SKU: 140131-4)
  • 037 pozicija – ARMATŪRA (SKU: 619249-7)
  • 038 pozicija – GUMINIS ŽIEDAS 13 (SKU: 421977-0)
  • 039 pozicija – LED GRANDINĖ (SKU: 631714-6)
  • 040 pozicija – JUNGTIES ĮRENGINYS (SKU: 638627-2)
  • 041 pozicija – ENDBELL COMPLETE (SKU: 638921-2)
  • 042 pozicija – DJS161 PAVADINIMO LENTELĖ (SKU: 815T27-5)
  • 044 pozicija – JUNGIKLIO RANKENĖLĖ (SKU: 419566-3)
  • 045 pozicija – KORPUSŲ RINKINYS (SKU: 187839-9)
  • 046 pozicija – JUNGIKLIO SVIRTIS (SKU: 419519-2)
  • Pozicija 048 – PAGALVĖ (SKU: 424026-2)
  • 049 pozicija – VALDIKLIS (SKU: 620243-4)
  • 050 pozicija – TERMINALAS (SKU: 644808-8)
  • 051 pozicija – KORPUSŲ RINKINYS (SKU: 187839-9)
  • Pozicija 052 – ANGLINIS ŠEPETĖLIS CB-430 (SKU: 191971-3)
  • 053 pozicija – ŠEPETĖLIŲ LAIKIKLIO DANGTELIS (SKU: 643929-3)
  • 054 pozicija – LAIKIKLIO DANGTELIO DANGTELIS (SKU: 419518-4)

Mokėjimas ir saugumas

American Express Apple Pay Bancontact Google Pay iDEAL Klarna Maestro Mastercard PayPal Shop Pay Union Pay Visa

Jūsų mokėjimo informacija apdorojama saugiai. Mes nesaugome kredito kortelės duomenų ir neturime prieigos prie jūsų kredito kortelės informacijos.

Apskaičiuokite siuntimą

Customer Reviews

Be the first to write a review
0%
(0)
0%
(0)
0%
(0)
0%
(0)
0%
(0)

Jums taip pat gali patikti

Neseniai žiūrėta