Beschreibung
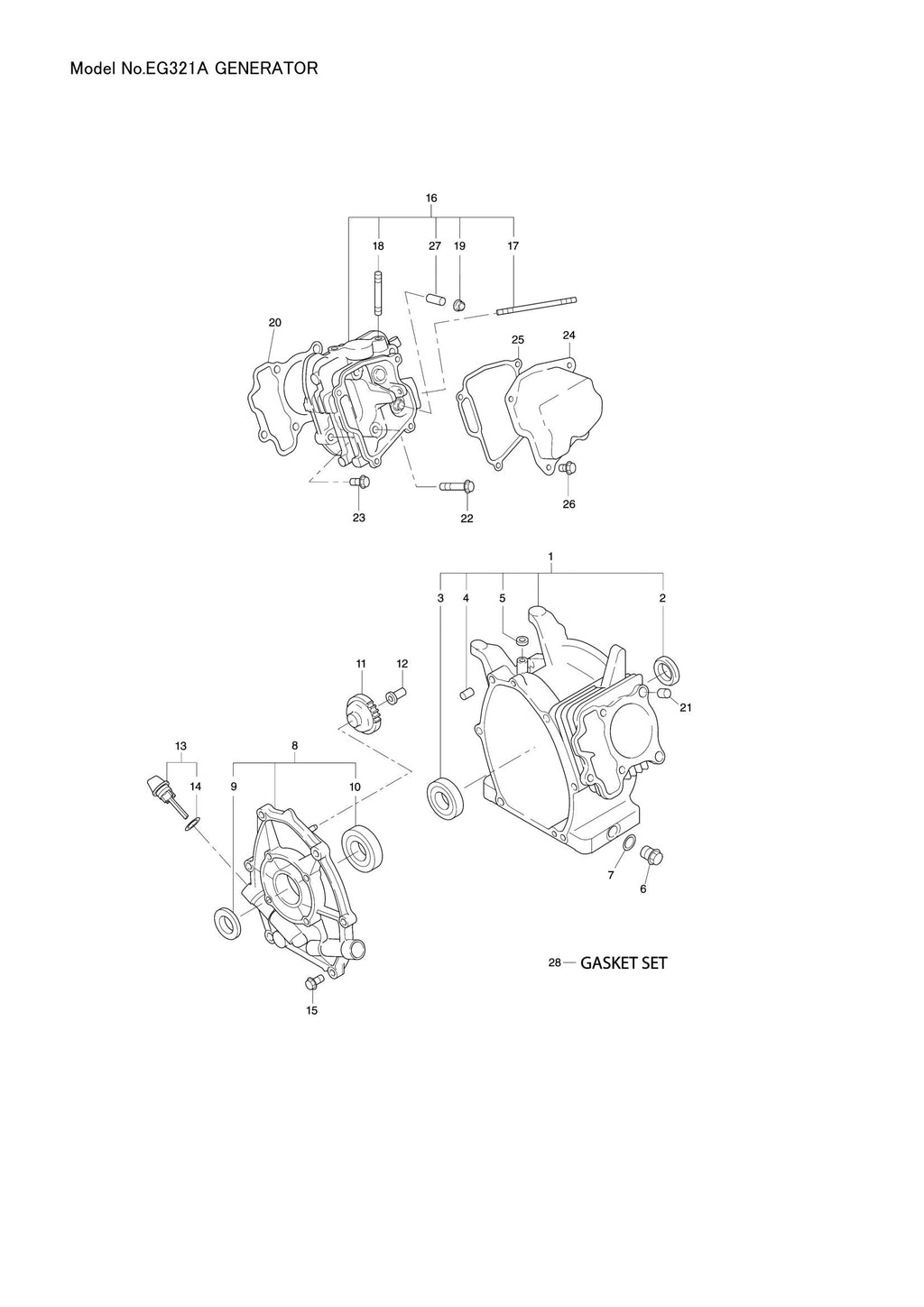
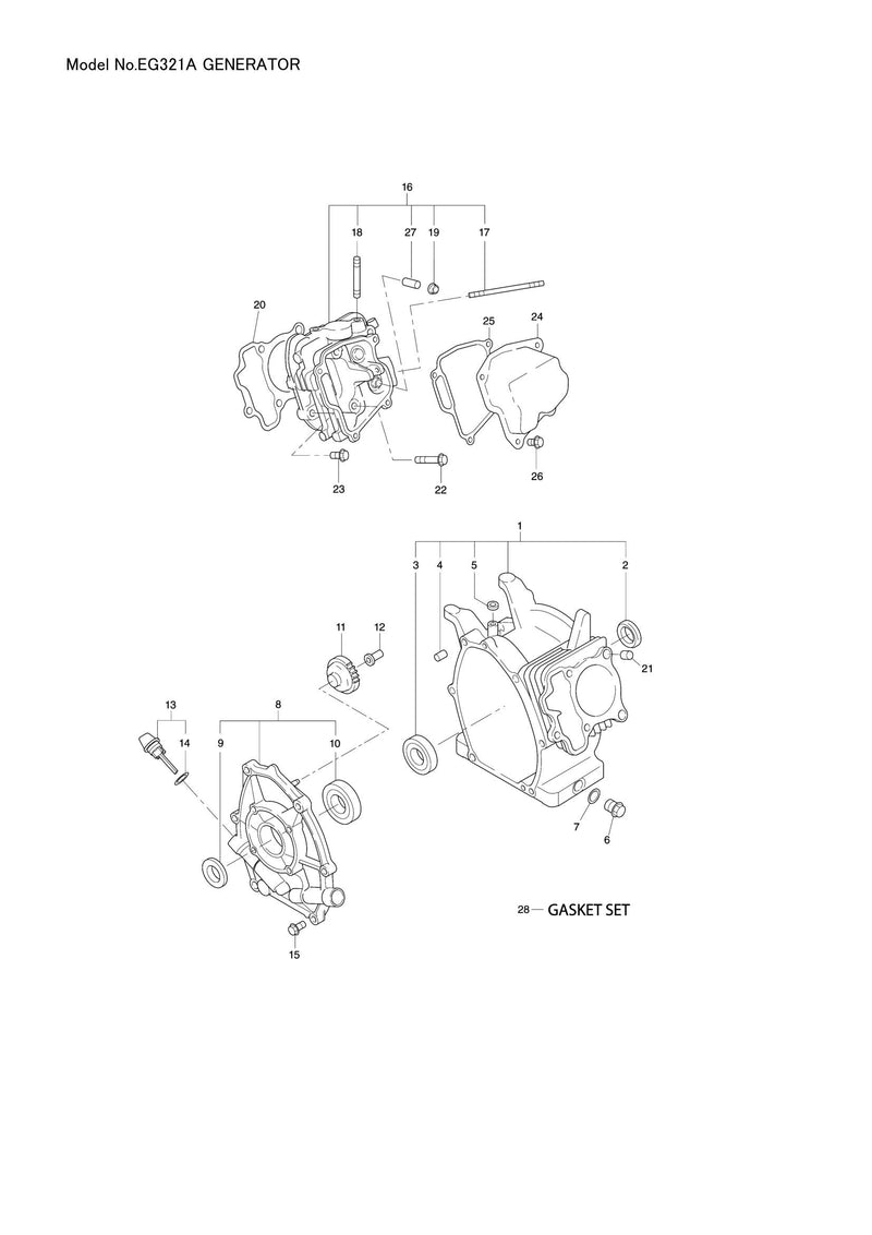
- Position 002 – ÖLDICHTUNG 25DX38DX7B (SKU: 0440250200)
- Position 004 – ROHRKLOPFER 10.3DX8.5DX14L (SKU: 2771501103)
- Position 005 – ÖLDICHTRING 6DX10DX2.5B (SKU: 0440060020)
- Position 006 – STECKER (SKU: 0401140030)
- Position 007 – DICHTUNG (SKU: 0211140020)
- Position 009 – ÖLDICHTUNG 25DX41.25DX6B (SKU: 0440250210)
- Position 013 – ÖLSTANDANZEIGE (SKU: 2776360130)
- Position 015 – Flanschschraube (SKU: 0010408350)
- Position 016 – ZYLINDERKOPF CP (SKU: 2781300211)
- Position 017 – STEHBOLZEN M6X1.0X98L (SKU: 0105060351)
- Position 018 – SCHALLDÄMPFERBOLZEN (SKU: 0105080290)
- Position 019 – Spindeldichtung (SKU: 2771601001)
- Position 021 – ROHRKLOPFER 10.3DX8.5DX14L (SKU: 2771501103)
- Position 023 – Flanschschraube M8X33L (SKU: 0110080310)
- Position 027 – VENTILFÜHRUNG (ÜBERGRÖSSE) (SKU: 2371420203)
- Position 029 – KURBELWELLE KOMPLETT (SKU: 2782070131)
- Position 030 – WOODRUFF KEY (SKU: 0323030010)
- Position 031 – Pleuelstange (Artikelnummer: 2782250110)
- Position 032 – Pleuelschraube (Artikelnummer: 2772300103)
- Position 033 – KOLBENBOLZEN 16DX11DX48.5L (SKU: 2772330113)
- Position 034 – CLIP (SKU: 0565160010)
- Position 035 – KOLBEN STD (SKU: 27723401J3)
- Position 040 – STIFT (FEDER) 4DX8DX9L (SKU: 2773860103)
- Position 041 – CLIP 13.8DX20.3DX0.4T (SKU: 2773650103)
- Position 042 – Stift (Nockenwelle) CP (SKU: 2773510101)
- Position 044 – O-RING (SKU: 0240060030)
- Position 048 – VENTILFEDER (SKU: 2793360103)
- Position 049 – FEDERHALTER (SKU: 2693370103)
- Position 050 – SPANNZANGENVENTIL (SKU: 13210KA031)
- Position 051 – Sperrhebel (Einlass) Baugruppe (Artikelnummer: 2773620100)
- Position 052 – EINSTELLSCHRAUBE M5X23 (SKU: 0149050020)
- Position 053 – MUTTER M5 (SKU: 0170050030)
- Position 055 – EINSTELLSCHRAUBE M5X23 (SKU: 0149050020)
- Position 056 – MUTTER M5 (SKU: 0170050030)
- Position 057 – PIN (KIPP) CP (SKU: 2773500401)
- Position 058 – CLIP (SKU: 0031305000)
- Position 059 – STEUERKETTE KOMPLETT (SKU: 2783560111)
- Position 061 – FEDER (SPANNER) (SKU: 2773710103)
- Position 062 – Stift (Spanner) 6DX13DX34L (SKU: 2773690203)
- Position 064 – AUSPUFFROHR KOMPLETT (SKU: 2773400101)
- Position 065 – SCHALLDÄMPFERBOLZEN (SKU: 0105080290)
- Position 066 – DICHTUNG (SCHALLDÄMPFER) (SKU: 2773520113)
- Position 067 – FLANSCHMUTTER (SKU: 0023808000)
- Position 068 – SCHALLDÄMPFER CP (SKU: 2773051101)
- Position 069 – SCHALLDÄMPFERABDECKUNG CP (SKU: 2773470101)
- Position 070 – SCHALLDÄMPFERHALTERUNG 1 CP (SKU: 2773910101)
- Position 071 – SCHALLDÄMPFERHALTERUNG 2 CP (SKU: 2773910201)
- Position 073 – FLANSCHMUTTER (SKU: 0023808000)
- Position 075 – SCHRAUBEN- UND UNTERLEGSCHEIBENBAUGRUPPE (SKU: 0011406160)
- Position 076 – SCHWAMMSCHUTZ (SKU: 2776900103)
- Position 077 – FLANSCHMUTTER M6 (SKU: 0023806000)
- Position 078 – ENTLÜFTUNGSROHR (SKU: 2773276208)
- Position 082 – BASIS KOMPLETT (SKU: 2773263208)
- Position 083 – VERPACKUNG (SKU: 2773260408)
- Position 084 – ELEMENT (SKU: 2773266117)
- Position 086 – Flanschschraube M6X20 (Artikelnummer: 0010406200)
- Position 087 – Reglerhebel (SKU: 2774230140)
- Position 090 – MUTTER M6X1.0X4.9H (SKU: 0186060020)
- Position 091 – Reglerwelle (Artikelnummer: 2774220133)
- Position 092 – CLIP (SKU: 0031305000)
- Position 093 – Reglerstange komplett (Artikelnummer: 2774270123)
- Position 095 – Reglerfeder (SKU: 2794250543)
- Position 096 – GESCHWINDIGKEITSREGLER KOMPLETT (SKU: 2774650111)
- Position 097 – MUTTER M6 (SKU: 0021706000)
- Position 098 – SCHRAUBE (SKU: 0043106400)
- Position 100 – GEBLÄSEGEHÄUSE CP (SKU: 2785120501)
- Position 102 – Blechschraube 4x12 (Artikelnummer: 0150040090)
- Position 105 – SCHRAUBE UND UNTERLEGSCHEIBE AY (SKU: 0130060281)
- Position 107 – Flanschschraube (SKU: 0010406140)
- Position 108 – SCHALLWAND 2 (KOPF) KOMPLETT (SKU: 2775270203)
- Position 113 – SPIRALFEDER (SKU: 2265071608)
- Position 114 – REEL (SKU: 2775012108)
- Position 115 – Ratsche (Artikelnummer: 2815032508)
- Position 116 – Reibungsfeder (SKU: 2815033008)
- Position 117 – MITTELSCHRAUBE (SKU: 2815035108)
- Position 118 – Reibscheibe (Artikelnummer: 2815034008)
- Position 119 – STARTSEIL (Artikelnummer: 2775011008)
- Position 120 – STARTERKNOPF (SKU: 2815030018)
- Position 121 – STARTER-RIEMENSCHEIBE (SKU: 2785014608)
- Position 126 – DROSSELKLAPPENVENTIL #160 (SKU: 2776253508)
- Position 127 – LUFTDÜSE (PILOT) (SKU: 1066241008)
- Position 128 – VENTIL-CHOKE (SKU: 2776252708)
- Position 129 – LUFTDÜSE (SKU: 1066241108)
- Position 130 – PILOT JET (SKU: 2786242008)
- Position 131 – DROSSELKLAPPENWELLE-A (SKU: 2776253118)
- Position 132 – CHOKEHEBEL (SKU: 2776252208)
- Position 133 – HAUPTDÜSE (SKU: 2786244008)
- Position 134 – Schwimmerbaugruppe (SKU: 2266250608)
- Position 135 – Schwimmerkörper (SKU: 2776250608)
- Position 136 – HAUPTDÜSE (SKU: 2776240308)
- Position 137 – VERPACKUNG (SKU: 2146245008)
- Position 138 – BOLZEN (SKU: 2276245108)
- Position 139 – CLIP (SKU: 2266270118)
- Position 140 – PIN (SKU: 2776251508)
- Position 141 – Schwimmerkammerpackung (Artikelnummer: 2146254008)
- Position 142 – NADEL (SKU: 2776250008)
- Position 143 – SIEGEL (SKU: 2466239008)
- Position 144 – SEAL (SKU: 2366268008)
- Position 145 – BOLZEN (SKU: 2776236008)
- Position 146 – VERPACKUNG (SKU: 2366254108)
- Position 147 – RING (SKU: 2776257028)
- Position 148 – RING (SKU: 2776257108)
- Position 149 – SCHRAUBENBAUGRUPPE (SKU: 2096235108)
- Position 150 – SCHRAUBE (SKU: 2376245108)
- Position 151 – FEDER (SKU: 2836235708)
- Position 152 – SCHRAUBE (SKU: 1066255608)
- Position 153 – MUTTER (SKU: 2776255308)
- Position 154 – SCHWUNGRAD CP (SKU: 2787924021)
- Position 155 – ZÜNDSPULE KOMPLETT (SKU: 2777943111)
- Position 157 – KÜHLGEBLÄSE (SKU: 2785410103)
- Position 158 – Flanschschraube M6X20 (Artikelnummer: 0010406200)
- Position 160 – ZÜNDKERZE (BR6HS) (SKU: 0650140150)
- Position 162 – Geldbörsenschloss (Artikelnummer: 0569000020)
- Position 163 – ÖLSENSOR CP (SKU: 2777630121)
- Position 164 – Flanschschraube (SKU: 0010406140)
- Position 168 – BÜRSTE CP (SKU: 36A2030008)
- Position 169 – GEN BRACKET 1 (SKU: 36A2200008)
- Position 170 – GEN BRACKET N (SKU: 36A2210008)
- Position 171 – GEN BRACKET 2 (SKU: 36A2220008)
- Position 172 – HALTERABDECKUNG (SKU: 36A2300008)
- Position 173 – BUCHSE (SKU: 36A2500008)
- Position 174 – STATORSCHRAUBE (SKU: 36B2100008)
- Position 175 – Flanschschraube (SKU: 36A8000008)
- Position 176 – Flanschschraube (SKU: 36A8000108)
- Position 177 – SCHRAUBE & UNTERLEGSCHEIBE AY (SKU: 36A8010008)
- Position 178 – FLANSCHSCHRAUBE (SKU: 36A8000208)
- Position 179 – DIODE CP (SKU: 36A2500108)
- Position 180 – SCHRAUBE & UNTERLEGSCHEIBE AY (SKU: 36A8010108)
- Position 181 – ROHR (SKU: 36A2500208)
- Position 182 – TÜLLE (SKU: 36A2500308)
- Position 183 – STECKER (6P) (SKU: 36A7000008)
- Position 184 – STECKER (2P) (SKU: 36A7000208)
- Position 185 – HALTERUNG (2P) (SKU: 36A7010108)
- Position 186 – HALTERUNG (3P) (SKU: 36A7010008)
- Position 187 – DRAHT (GRÜN) (SKU: 36A7100008)
- Position 188 – DRAHT (WEISS) (SKU: 36A7100108)
- Position 189 – SCHRAUBE (SKU: 36A8020008)
- Position 190 – ROTORBOLZEN (SKU: 36B2110008)
- Position 191 – SCHWAMM (FILTER) (SKU: 36A2500408)
- Position 193 – ROHRRAHMEN CP (SKU: 36B3000008)
- Position 194 – STEUERKASTEN AY (SKU: 36A4000108)
- Position 195 – SCHRAUBE & UNTERLEGSCHEIBE AY (SKU: 36A8010408)
- Position 196 – SCHRAUBE & UNTERLEGSCHEIBE AY (SKU: 36A8010508)
- Position 197 – FLANSCHMUTTER (SKU: 36A8100208)
- Position 198 – FLANSCHSCHRAUBE (SKU: 36A8000308)
- Position 199 – MOUNT CP (SKU: 36A3100008)
- Position 200 – Flanschschraube (SKU: 36A8000408)
- Position 201 – Sicherungsscheibe (SKU: 36A8200108)
- Position 202 – SCHWAMM (GEN) (SKU: 36A2500508)
- Position 203 – SCHWAMM (TANK) (SKU: 36A3500008)
- Position 204 – SCHWAMM (PANEL) (SKU: 36A3500108)
- Position 205 – DRAHT (GRÜN/GELB) (SKU: 36A7100708)
- Position 206 – ETIKETT (SPEZ) (SKU: 36B9100918)
- Position 207 – ETIKETT (HEISS & GAS) (SKU: 36A9800308)
- Position 208 – BEDIENFELD CP (SKU: 36B4100708)
- Position 209 – SCHALTER (MOTOR) (SKU: 36A4900008)
- Position 210 – AC CONCENT (GER) (SKU: 36A4700108)
- Position 211 – LEISTUNGSSCHALTER (12A) (SKU: 36B4800008)
- Position 212 – VOLTMETER (SKU: 36A4900108)
- Position 213 – DC CONCENT (SKU: 36A4710108)
- Position 214 – LEISTUNGSSCHALTER (10 A) (SKU: 36A4800108)
- Position 215 – SCHRAUBE & UNTERLEGSCHEIBE AY (SKU: 36A8010208)
- Position 216 – Sicherungsscheibe (SKU: 36A8200008)
- Position 217 – FLANSCHMUTTER (SKU: 36A8100008)
- Position 218 – KAPPE-UNTERLEGSCHEIBE (SKU: 36A8210008)
- Position 219 – UNTERLEGSCHEIBE (SKU: 36A8220008)
- Position 220 – Federscheibe (SKU: 36A8230008)
- Position 221 – FLÜGELMUTTER (SKU: 36A8110008)
- Position 222 – STECKER (2P) (SKU: 36A7000308)
- Position 223 – STECKER (6P) (SKU: 36A7000108)
- Position 224 – HALTERUNG (2P) (SKU: 36A7010108)
- Position 225 – HALTERUNG (3P) (SKU: 36A7010008)
- Position 226 – SCHRAUBE & UNTERLEGSCHEIBE AY (SKU: 36A8010308)
- Position 227 – SCHRAUBE (SKU: 36A8020108)
- Position 228 – FLANSCHMUTTER (SKU: 36A8100108)
- Position 229 – TÜLLE (SKU: 36A4990008)
- Position 230 – DRAHT (WEISS) (SKU: 36A7100208)
- Position 231 – DRAHT (WEISS) (SKU: 36A7100308)
- Position 232 – DRAHT (SCHWARZ) (SKU: 36A7100408)
- Position 233 – DRAHT (GRÜN) (SKU: 36A7100508)
- Position 234 – DRAHT (SCHWARZ) (SKU: 36A7100608)
- Position 235 – DRAHT (GRAU) (SKU: 36A7100808)
- Position 236 – DRAHT (ROT) (SKU: 36A7100908)
- Position 237 – DRAHT (ROT) (SKU: 36A7101008)
- Position 238 – DRAHT (GRÜN) (SKU: 36A7101108)
- Position 239 – DRAHT (BLAU) (SKU: 36A7101208)
- Position 240 – ETIKETT (HANDELSMARKE) (SKU: 36B9000208)
- Position 241 – ETIKETT (ELEKTROSCHOCK) (SKU: 36A9800408)
- Position 242 – KRAFTSTOFFTANK CP (SKU: 2706172201)
- Position 243 – TANKDECKEL, KOMPLETT (SKU: 0430590011)
- Position 244 – KRAFTSTOFFFILTER (SKU: 0641540011)
- Position 245 – TANKANZEIGE CP (SKU: 0648001800)
- Position 246 – SCHRAUBE (SKU: 0145050040)
- Position 247 – Flanschschraube (Artikelnummer: 0110060220)
- Position 248 – GUMMI (TANK) (SKU: 3913900013)
- Position 249 – Kraftstoffsiebbaugruppe (Artikelnummer: 0642010001)
- Position 251 – VERPACKUNG (SKU: 0642001430)
- Position 252 – CUP (SKU: 0642001410)
- Position 253 – KONTERMUTTER (SKU: 0642010030)
- Position 254 – O-RING (SKU: 0642000330)
- Position 255 – SCHLOSSRIEGEL (SKU: 0642002790)
- Position 256 – FEDER (SKU: 0642003230)
- Position 257 – KRAFTSTOFFLEITUNG 3, KOMPLETT (SKU: 2696260301)
- Position 258 – SCHLAUCHSCHELLE (SKU: 0561100030)
- Position 259 – Wellrohr (100) (Artikelnummer: 36A6000108)
- Position 260 – ETIKETT (BENZIHAND) (SKU: 36A9800108)
- Position 261 – ETIKETT (SYMBOL-TANK) (SKU: 36A9800208)
- Position 262 – Gummischlauch (SKU: 0851061960)
- Position 263 – UNTERLEGSCHEIBE (SKU: 36A8220108)
- Position 264 – Rauschfilter (Artikelnummer: 36A7500008)
- Position 265 – SCHRAUBE & UNTERLEGSCHEIBE AY (SKU: 36A8030108)
- Position 266 – SCHRAUBE & UNTERLEGSCHEIBE AY (SKU: 36A8010708)
- Position 267 – ETIKETT (CE-VORSICHT) (SKU: 36A9802108)
- Position 268 – ETIKETT (TON 96DB) (SKU: 36B9800108)
Zahlung & Sicherheit
Ihre Zahlungsinformationen werden sicher verarbeitet. Wir speichern weder Kreditkartendaten noch haben wir Zugriff auf Ihre Kreditkarteninformationen.