Beschreibung
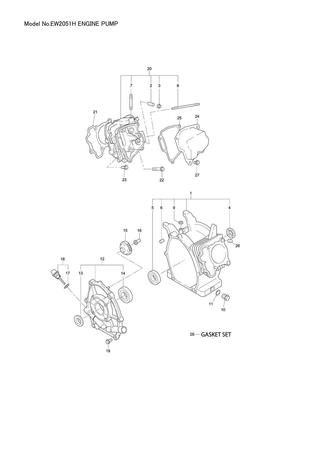
- Position 001 – KURBELGEHÄUSE CP (SKU: 2771010261)
- Position 002 – VENTILFÜHRUNG (ÜBERGRÖSSE) (SKU: 2371420203)
- Position 003 – Spindeldichtung (SKU: 2771601001)
- Position 004 – ÖLDICHTUNG 25DX38DX7B (SKU: 0440250200)
- Position 006 – ROHRKLOPFER 10.3DX8.5DX14L (SKU: 2771501103)
- Position 007 – STUD (SKU: 0105080250)
- Position 008 – STEHBOLZEN M6X1.0X98L (SKU: 0105060351)
- Position 009 – ÖLDICHTRING 6DX10DX2.5B (SKU: 0440060020)
- Position 010 – STECKER (SKU: 0401140030)
- Position 011 – DICHTUNG (SKU: 0211140020)
- Position 013 – ÖLDICHTUNG 25DX41.25DX6B (SKU: 0440250210)
- Position 015 – Reglergetriebe CP (SKU: 27745004K1)
- Position 016 – Reglerhülse CP (SKU: 2774190201)
- Position 017 – DICHTUNG 16DX23X1.2T (SKU: 0213160020)
- Position 018 – ÖLSTANDANZEIGE (SKU: 2776360130)
- Position 019 – Flanschschraube (SKU: 0010408350)
- Position 020 – ZYLINDERKOPF CP (SKU: 2771300111)
- Position 021 – DICHTUNG (KOPF) (SKU: 2771500143)
- Position 023 – Flanschschraube M8X33L (SKU: 0110080310)
- Position 026 – ROHRKLOPFER 10.3DX8.5DX14L (SKU: 2771501103)
- Position 031 – WOODRUFF KEY (SKU: 0323030010)
- Position 032 – Pleuelstange (Artikelnummer: 2772250110)
- Position 033 – Pleuelschraube (Artikelnummer: 2772300103)
- Position 034 – KOLBENBOLZEN 16DX11DX48.5L (SKU: 2772330113)
- Position 035 – KOLBEN STD (SKU: 27723401J3)
- Position 037 – CLIP (SKU: 0565160010)
- Position 039 – Stift (Nockenwelle) CP (SKU: 2773510101)
- Position 040 – O-RING (SKU: 0240060030)
- Position 041 – STIFT (FEDER) 4DX8DX9L (SKU: 2773860103)
- Position 043 – CLIP 13.8DX20.3DX0.4T (SKU: 2773650103)
- Position 045 – VENTILFEDER (SKU: 2793360103)
- Position 046 – FEDERHALTER (SKU: 2693370103)
- Position 049 – SPANNZANGENVENTIL (SKU: 13210KA031)
- Position 050 – STEUERKETTE KOMPLETT (SKU: 27735602H1)
- Position 051 – SPANNER (SKU: 20A3691103)
- Position 052 – FEDER (SPANNER) (SKU: 2773710103)
- Position 053 – Stift (Spanner) 6DX13DX34L (SKU: 2773690203)
- Position 054 – KETTENFÜHRUNG (SKU: 20A3691303)
- Position 055 – PIN (KIPP) CP (SKU: 2773500401)
- Position 056 – CLIP (SKU: 0031305000)
- Position 057 – Kipphebelsatz AY (Artikelnummer: 2773600107)
- Position 058 – EINSTELLSCHRAUBE M5X23 (SKU: 0149050020)
- Position 059 – EINSTELLSCHRAUBE M5X23 (SKU: 0149050020)
- Position 060 – MUTTER M5 (SKU: 0170050030)
- Position 061 – MUTTER M5 (SKU: 0170050030)
- Position 063 – SCHALLDÄMPFER CP (SKU: 27730111J1)
- Position 064 – SCHALLDÄMPFERABDECKUNG CP (SKU: 20A3420101)
- Position 065 – DICHTUNG (SCHALLDÄMPFER) (SKU: 2773520113)
- Position 066 – FLANSCHMUTTER (SKU: 0023808000)
- Position 067 – Blechschraube (Artikelnummer: 0152060090)
- Position 069 – Flanschschraube (Artikelnummer: 0110080320)
- Position 070 – UNTERLEGSCHEIBE (SKU: 20A0210100)
- Position 071 – SCREEN CP (SKU: 27737203H1)
- Position 072 – Blechschraube M4x6L (Artikelnummer: 0150040060)
- Position 073 – ISOLATOR KOMPLETT (SKU: 20A3290201)
- Position 074 – DICHTUNG 2 (ISOLATOR) (SKU: 20A3590303)
- Position 075 – DICHTUNG 1 (ISOLATOR) (SKU: 20A3590203)
- Position 076 – FLANSCHMUTTER M6 (SKU: 0023806000)
- Position 077 – Flanschschraube M6X20 (Artikelnummer: 0010406200)
- Position 078 – ENTLÜFTUNGSROHR (SKU: 2773276008)
- Position 081 – VERPACKUNG (SKU: 2773261008)
- Position 082 – VERPACKUNG (SKU: 2773260408)
- Position 084 – ETIKETT (SKU: 2773260908)
- Position 085 – FLÜGELMUTTER (SKU: 2773274118)
- Position 086 – FLÜGELMUTTER (SKU: 2773260718)
- Position 088 – Reglerhebel (SKU: 2774230140)
- Position 089 – Reglerwelle (Artikelnummer: 2774220133)
- Position 090 – Reglerstange komplett (Artikelnummer: 2774270123)
- Position 092 – CLIP (SKU: 0031305000)
- Position 093 – SCHRAUBEN- UND UNTERLEGSCHEIBENBAUGRUPPE (SKU: 0011406250)
- Position 094 – MUTTER M6X1.0X4.9H (SKU: 0186060020)
- Position 095 – Reglerfeder (SKU: 2774251023)
- Position 096 – GESCHWINDIGKEITSREGLERHEBEL (SKU: 2774330303)
- Position 097 – ANSCHLAGPLATTE (SKU: 2774350203)
- Position 098 – UNTERLEGSCHEIBE (SKU: 2774450103)
- Position 099 – Reibscheibe (SKU: 0217060070)
- Position 100 – SCHRAUBE (SKU: 0043106250)
- Position 101 – FEDER (EINSTELLEN) (SKU: 2374500423)
- Position 103 – Selbstsichernde Mutter (SKU: 0023506000)
- Position 105 – GEBLÄSEGEHÄUSE KOMPLETT (SKU: 2775120501)
- Position 106 – ETIKETT (MAKITA) (SKU: 2779170503)
- Position 108 – SCHALLWAND 1 (GEHÄUSE) KOMPLETT (SKU: 20A5271101)
- Position 109 – SCHALLWAND 2 (KOPF) KOMPLETT (SKU: 2775270203)
- Position 110 – Flanschschraube (SKU: 0010406160)
- Position 112 – KÜHLGEBLÄSE (SKU: 20A5410113)
- Position 114 – Seilzugstarter AY (SKU: 20A5020130)
- Position 116 – ETIKETT (WARNUNG) (SKU: 0732005760)
- Position 117 – ETIKETT (MODELL) (SKU: 2779511603)
- Position 118 – TANKDECKEL KOMPLETT (SKU: 0430440050)
- Position 119 – KRAFTSTOFFFILTER (SKU: X641360010)
- Position 120 – UNION (SKU: X505120020)
- Position 121 – FLANSCHMUTTER M6 (Artikelnummer: 0023806000)
- Position 122 – Flanschschraube (Artikelnummer: 0110060130)
- Position 123 – KRAFTSTOFFLEITUNG CP (SKU: 2776260121)
- Position 125 – SCHLAUCHSCHELLE (SKU: X561110060)
- Position 126 – CHOKEHEBEL CP (SKU: 2774380101)
- Position 128 – DROSSELKLAPPENVENTIL (SKU: 1066253808)
- Position 129 – SCHRAUBENBAUGRUPPE (SKU: 2096235108)
- Position 130 – CHOKE-VENTIL (SKU: 2776252508)
- Position 131 – PILOTDÜSE (#40) (SKU: 2466242008)
- Position 132 – CHOKEHEBEL (SKU: 2776252008)
- Position 133 – DROSSELKLAPPENSCHAFT A (SKU: 2766253118)
- Position 134 – BOLZEN (SKU: 2276245108)
- Position 135 – NADEL (SKU: 2776250008)
- Position 136 – PIN (SKU: 2776251508)
- Position 137 – Schwimmerkörper (SKU: 2776250608)
- Position 138 – VERPACKUNG (SKU: 2146245008)
- Position 139 – Schwimmerkammerpackung (Artikelnummer: 2146254008)
- Position 140 – Schwimmerbaugruppe (SKU: 2266250608)
- Position 141 – HAUPTTÜSE (SKU: 2766244008)
- Position 142 – JET 252-62405-08 (SKU: 2526240508)
- Position 143 – CLIP (SKU: 2266270118)
- Position 144 – BOLZEN (SKU: 2776236008)
- Position 145 – SCHRAUBE (SKU: 1066255608)
- Position 146 – FEDER (SKU: 2836235708)
- Position 147 – LUFTDÜSE (SKU: 2076241008)
- Position 148 – LUFTDÜSE (PILOT) (SKU: 1066241008)
- Position 149 – SEAL (SKU: 2366268008)
- Position 150 – VERPACKUNG (SKU: 2366254108)
- Position 151 – SEAL (SKU: 2466239008)
- Position 152 – MUTTER (SKU: 2776255308)
- Position 154 – VERPACKUNG (SKU: 2776211018)
- Position 155 – CUP (SKU: 2776210018)
- Position 156 – O-RING (SKU: 2776255208)
- Position 157 – SCHRAUBE (SKU: 1656237708)
- Position 158 – SCHWUNGRAD CP (SKU: 20A7923101)
- Position 159 – ZÜNDSPULE CP (SKU: 20A7943101)
- Position 160 – Flanschschraube M6X20 (Artikelnummer: 0010406200)
- Position 163 – Blechschraube 4x12 (Artikelnummer: 0150040090)
- Position 164 – ZÜNDKERZE (SKU: X650143050)
- Position 165 – ZÜNDKERZENSTECKER (SKU: 0655000110)
- Position 166 – GEHÄUSE (SKU: 4800501001)
- Position 167 – INNERE GEHÄUSEDICHTUNG (SKU: 4800501012)
- Position 168 – INNENGEHÄUSE (SKU: 4800571011)
- Position 169 – LAUFRAD (SKU: 4800571009)
- Position 170 – Mechanische Dichtung (Artikelnummer: 4800521008)
- Position 171 – GEHÄUSEVERPACKUNG (SKU: 4800501002)
- Position 172 – STECKER (SKU: 4800501021)
- Position 173 – O-RING (SKU: 4800501022)
- Position 174 – INNENSECHSKANTSCHRAUBE (SKU: 4800571099)
- Position 175 – Federscheibe (Artikelnummer: 4810000171)
- Position 176 – GEHÄUSEABDECKUNG (SKU: 4800501004)
- Position 177 – SCHRAUBE M8X48 (SKU: 4800501005)
- Position 178 – SAUGFLANSCH (SKU: 4800501013)
- Position 180 – RÜCKSCHLAGVENTIL (SKU: 4800501015)
- Position 181 – Nippelpackung (Artikelnummer: 4800501017)
- Position 182 – SCHLAUCHKUPPLUNG (ABS) (SKU: 4810000114)
- Position 183 – COUOLIG-GRIFF (ABS) (SKU: 4810000115)
- Position 184 – LIEFERFRANKREICH (SKU: 4800501019)
- Position 186 – LIEFERFLANSCHDICHTUNG (SKU: 4800501020)
- Position 187 – STECKER (SKU: 4800501021)
- Position 188 – O-RING (SKU: 4800501022)
- Position 189 – SIEB (ABS) (SKU: 4800575029)
- Position 190 – Schlauchband (Artikelnummer: 4800501028)
- Position 191 – RAHMEN (SKU: 4810000250)
- Position 193 – FLANSCHMUTTER (M8) (SKU: 4800501024)
- Position 194 – ETIKETT (PUMPENNAME) (SKU: 4869000503)
- Position 195 – Innensechskantschraube (Artikelnummer: 4800571092)
- Position 196 – HAKEN (SKU: 4800571021)
- Position 199 – ÖLSENSOR CP (SKU: 2777630121)
- Position 200 – O-RING (SKU: 2777635008)
- Position 202 – Abschirmplatte (O/S) (SKU: 2777580103)
- Position 203 – Flanschschraube (Artikelnummer: 0010406140)
- Position 204 – Blechschraube (Artikelnummer: 0152050010)
Zahlung & Sicherheit
Ihre Zahlungsinformationen werden sicher verarbeitet. Wir speichern weder Kreditkartendaten noch haben wir Zugriff auf Ihre Kreditkarteninformationen.