Explosionszeichnung – EW3051H


Preis:
Verkaufspreis€0,00
Aktie:
Auf Lager

Beschreibung

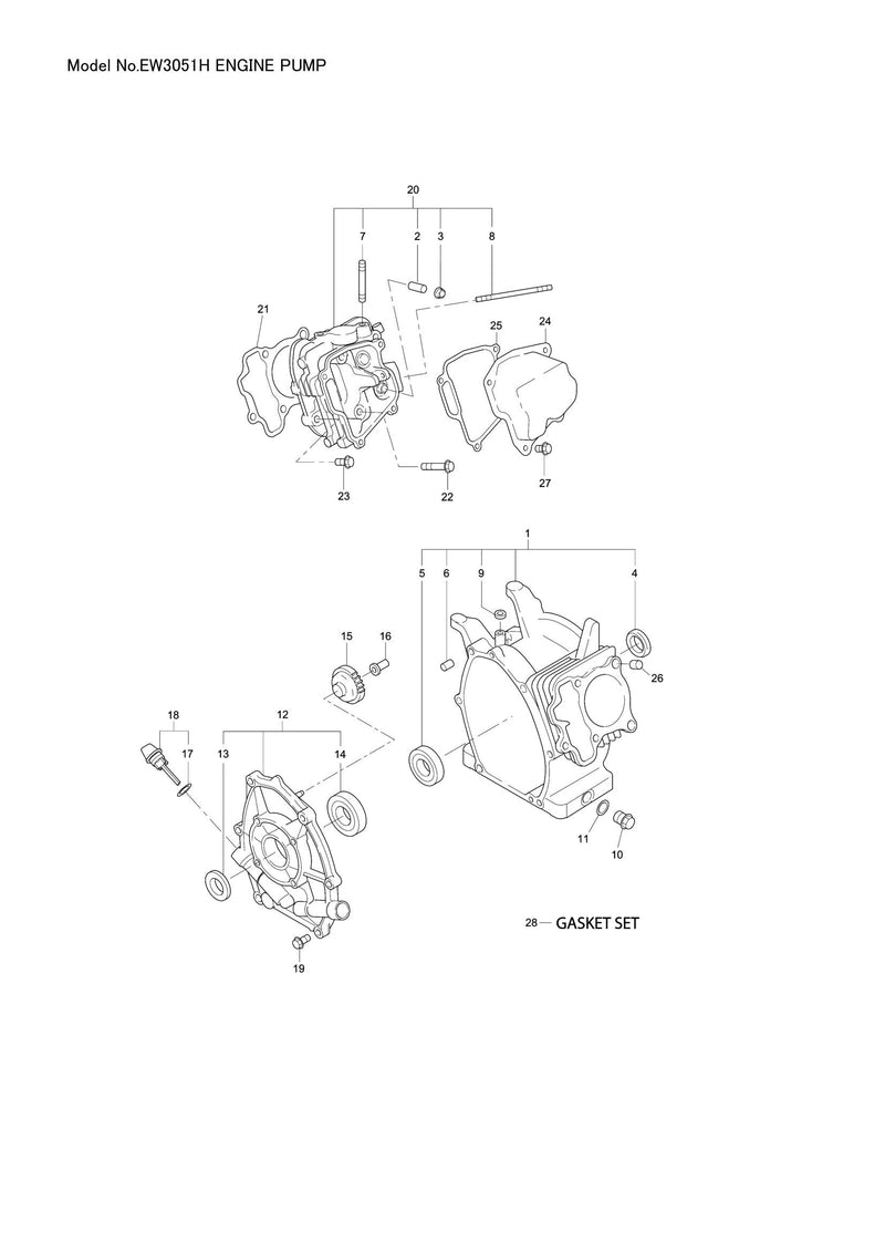
  • Position 001 – KURBELGEHÄUSE CP (SKU: 2771010261)
  • Position 002 – VENTILFÜHRUNG (ÜBERGRÖSSE) (SKU: 2371420203)
  • Position 003 – Spindeldichtung (SKU: 2771601001)
  • Position 004 – ÖLDICHTUNG 25DX38DX7B (SKU: 0440250200)
  • Position 006 – ROHRKLOPFER 10.3DX8.5DX14L (SKU: 2771501103)
  • Position 007 – STUD (SKU: 0105080250)
  • Position 008 – STEHBOLZEN M6X1.0X98L (SKU: 0105060351)
  • Position 009 – ÖLDICHTRING 6DX10DX2.5B (SKU: 0440060020)
  • Position 010 – STECKER (SKU: 0401140030)
  • Position 011 – DICHTUNG (SKU: 0211140020)
  • Position 013 – ÖLDICHTUNG 25DX41.25DX6B (SKU: 0440250210)
  • Position 015 – Reglergetriebe CP (SKU: 27745004K1)
  • Position 016 – Reglerhülse CP (SKU: 2774190201)
  • Position 017 – DICHTUNG 16DX23X1.2T (SKU: 0213160020)
  • Position 018 – ÖLSTANDANZEIGE (SKU: 2776360130)
  • Position 019 – Flanschschraube (SKU: 0010408350)
  • Position 020 – ZYLINDERKOPF CP (SKU: 2771300111)
  • Position 021 – DICHTUNG (KOPF) (SKU: 2771500143)
  • Position 023 – Flanschschraube M8X33L (SKU: 0110080310)
  • Position 026 – ROHRKLOPFER 10.3DX8.5DX14L (SKU: 2771501103)
  • Position 029 – KURBELWELLE CP (SKU: 2772030121)
  • Position 031 – WOODRUFF KEY (SKU: 0323030010)
  • Position 032 – Pleuelstange (Artikelnummer: 2772250110)
  • Position 033 – Pleuelschraube (Artikelnummer: 2772300103)
  • Position 034 – KOLBENBOLZEN 16DX11DX48.5L (SKU: 2772330113)
  • Position 035 – KOLBEN STD (SKU: 27723401J3)
  • Position 037 – CLIP (SKU: 0565160010)
  • Position 039 – Stift (Nockenwelle) CP (SKU: 2773510101)
  • Position 040 – O-RING (SKU: 0240060030)
  • Position 041 – STIFT (FEDER) 4DX8DX9L (SKU: 2773860103)
  • Position 043 – CLIP 13.8DX20.3DX0.4T (SKU: 2773650103)
  • Position 045 – VENTILFEDER (SKU: 2793360103)
  • Position 046 – FEDERHALTER (SKU: 2693370103)
  • Position 049 – SPANNZANGENVENTIL (SKU: 13210KA031)
  • Position 050 – STEUERKETTE KOMPLETT (SKU: 27735602H1)
  • Position 051 – SPANNER (SKU: 20A3691103)
  • Position 052 – FEDER (SPANNER) (SKU: 2773710103)
  • Position 053 – Stift (Spanner) 6DX13DX34L (SKU: 2773690203)
  • Position 054 – KETTENFÜHRUNG (SKU: 20A3691303)
  • Position 055 – PIN (KIPP) CP (SKU: 2773500401)
  • Position 056 – CLIP (SKU: 0031305000)
  • Position 057 – Kipphebelsatz AY (Artikelnummer: 2773600107)
  • Position 058 – EINSTELLSCHRAUBE M5X23 (SKU: 0149050020)
  • Position 059 – EINSTELLSCHRAUBE M5X23 (SKU: 0149050020)
  • Position 060 – MUTTER M5 (SKU: 0170050030)
  • Position 061 – MUTTER M5 (SKU: 0170050030)
  • Position 063 – SCHALLDÄMPFER CP (SKU: 27730111J1)
  • Position 064 – SCHALLDÄMPFERABDECKUNG CP (SKU: 20A3420101)
  • Position 065 – DICHTUNG (SCHALLDÄMPFER) (SKU: 2773520113)
  • Position 066 – FLANSCHMUTTER (SKU: 0023808000)
  • Position 067 – Blechschraube (Artikelnummer: 0152060090)
  • Position 069 – Flanschschraube (Artikelnummer: 0110080320)
  • Position 070 – UNTERLEGSCHEIBE (SKU: 20A0210100)
  • Position 071 – SCREEN CP (SKU: 27737203H1)
  • Position 072 – Blechschraube M4x6L (Artikelnummer: 0150040060)
  • Position 073 – ISOLATOR KOMPLETT (SKU: 20A3290201)
  • Position 074 – DICHTUNG 2 (ISOLATOR) (SKU: 20A3590303)
  • Position 075 – DICHTUNG 1 (ISOLATOR) (SKU: 20A3590203)
  • Position 076 – FLANSCHMUTTER M6 (SKU: 0023806000)
  • Position 077 – Flanschschraube M6X20 (Artikelnummer: 0010406200)
  • Position 078 – ENTLÜFTUNGSROHR (SKU: 2773276008)
  • Position 081 – VERPACKUNG (SKU: 2773261008)
  • Position 082 – VERPACKUNG (SKU: 2773260408)
  • Position 084 – ETIKETT (SKU: 2773260908)
  • Position 085 – FLÜGELMUTTER (SKU: 2773274118)
  • Position 086 – FLÜGELMUTTER (SKU: 2773260718)
  • Position 088 – Reglerhebel (SKU: 2774230140)
  • Position 089 – Reglerwelle (Artikelnummer: 2774220133)
  • Position 090 – Reglerstange komplett (Artikelnummer: 2774270123)
  • Position 092 – CLIP (SKU: 0031305000)
  • Position 093 – SCHRAUBEN- UND UNTERLEGSCHEIBENBAUGRUPPE (SKU: 0011406250)
  • Position 094 – MUTTER M6X1.0X4.9H (SKU: 0186060020)
  • Position 095 – Reglerfeder (SKU: 2774251023)
  • Position 096 – GESCHWINDIGKEITSREGLERHEBEL (SKU: 2774330303)
  • Position 097 – ANSCHLAGPLATTE (SKU: 2774350203)
  • Position 098 – UNTERLEGSCHEIBE (SKU: 2774450103)
  • Position 099 – Reibscheibe (SKU: 0217060070)
  • Position 100 – SCHRAUBE (SKU: 0043106250)
  • Position 101 – FEDER (EINSTELLEN) (SKU: 2374500423)
  • Position 103 – Selbstsichernde Mutter (SKU: 0023506000)
  • Position 105 – GEBLÄSEGEHÄUSE KOMPLETT (SKU: 2775120501)
  • Position 106 – ETIKETT (MAKITA) (SKU: 2779170503)
  • Position 108 – SCHALLWAND 1 (GEHÄUSE) KOMPLETT (SKU: 20A5271101)
  • Position 109 – SCHALLWAND 2 (KOPF) KOMPLETT (SKU: 2775270203)
  • Position 110 – Flanschschraube (SKU: 0010406160)
  • Position 112 – KÜHLGEBLÄSE (SKU: 20A5410113)
  • Position 114 – Seilzugstarter AY (SKU: 20A5020130)
  • Position 116 – ETIKETT (WARNUNG) (SKU: X732005760)
  • Position 117 – ETIKETT (MODELL) (SKU: 2779511603)
  • Position 118 – TANKDECKEL KOMPLETT (SKU: 0430440050)
  • Position 119 – KRAFTSTOFFFILTER (SKU: X641360010)
  • Position 120 – UNION (SKU: X505120020)
  • Position 121 – FLANSCHMUTTER M6 (Artikelnummer: 0023806000)
  • Position 122 – Flanschschraube (Artikelnummer: 0110060130)
  • Position 123 – KRAFTSTOFFLEITUNG CP (SKU: 2776260121)
  • Position 125 – SCHLAUCHSCHELLE (SKU: X561110060)
  • Position 126 – CHOKEHEBEL CP (SKU: 2774380101)
  • Position 128 – DROSSELKLAPPENVENTIL #160 (SKU: 2776253508)
  • Position 129 – SCHRAUBENBAUGRUPPE (SKU: 2096235108)
  • Position 130 – CHOKE-VENTIL (SKU: 2776252508)
  • Position 131 – PILOTDÜSE (#40) (SKU: 2466242008)
  • Position 132 – CHOKEHEBEL (SKU: 2776252008)
  • Position 133 – DROSSELKLAPPENWELLE-A (SKU: 2776253118)
  • Position 134 – BOLZEN (SKU: 2276245108)
  • Position 135 – NADEL (SKU: 2776250008)
  • Position 136 – PIN (SKU: 2776251508)
  • Position 137 – Schwimmerkörper (SKU: 2776250608)
  • Position 138 – VERPACKUNG (SKU: 2146245008)
  • Position 139 – Schwimmerkammerpackung (Artikelnummer: 2146254008)
  • Position 140 – Schwimmerbaugruppe (Artikelnummer: 2266250608)
  • Position 141 – HAUPTTÜSE (SKU: 2776244008)
  • Position 142 – HAUPTTÜSE (#80.0) (SKU: 2266241208)
  • Position 143 – CLIP (SKU: 2266270118)
  • Position 144 – BOLZEN (SKU: 2776236008)
  • Position 145 – SCHRAUBE (SKU: 1066255608)
  • Position 146 – FEDER (SKU: 2836235708)
  • Position 147 – LUFTDÜSE (SKU: 2486241008)
  • Position 148 – LUFTDÜSE (PILOT) (SKU: 1066241008)
  • Position 149 – SEAL (SKU: 2366268008)
  • Position 150 – VERPACKUNG (SKU: 2366254108)
  • Position 151 – SEAL (SKU: 2466239008)
  • Position 152 – MUTTER (SKU: 2776255308)
  • Position 154 – VERPACKUNG (SKU: 2776211018)
  • Position 155 – CUP (SKU: 2776210018)
  • Position 156 – O-RING (SKU: 2776255208)
  • Position 157 – SCHRAUBE (SKU: 1656237708)
  • Position 158 – SCHWUNGRAD CP (SKU: 20A7923101)
  • Position 159 – ZÜNDSPULE CP (SKU: 20A7943101)
  • Position 160 – Flanschschraube M6X20 (Artikelnummer: 0010406200)
  • Position 163 – Blechschraube 4x12 (Artikelnummer: 0150040090)
  • Position 164 – ZÜNDKERZE (SKU: X650143050)
  • Position 165 – ZÜNDKERZENSTECKER (SKU: 0655000110)
  • Position 166 – GEHÄUSE (SKU: 4800803001)
  • Position 167 – INNERE GEHÄUSEDICHTUNG (SKU: 4800801012)
  • Position 168 – INNENGEHÄUSE (SKU: 4800871011)
  • Position 169 – LAUFRAD (SKU: 4800871009)
  • Position 170 – Mechanische Dichtung (Artikelnummer: 4800521008)
  • Position 171 – GEHÄUSEVERPACKUNG (SKU: 4800501002)
  • Position 172 – STECKER (SKU: 4800501021)
  • Position 173 – O-RING (SKU: 4800501022)
  • Position 174 – INNENSECHSKANTSCHRAUBE (SKU: 4800571099)
  • Position 175 – Federscheibe (Artikelnummer: 4810000171)
  • Position 176 – GEHÄUSEABDECKUNG (SKU: 4800501004)
  • Position 177 – SCHRAUBE M8X48 (SKU: 4800501005)
  • Position 179 – SCHRAUBE (MIT UNTERLEGSCHEIBE) M8X30 (SKU: 4800801014)
  • Position 180 – RÜCKSCHLAGVENTIL (SKU: 4800801015)
  • Position 181 – Kupplungspackung (Artikelnummer: 4800801017)
  • Position 182 – SCHLAUCHNIPPEL (SKU: 4810000108)
  • Position 183 – Kupplungsgriff (Artikelnummer: 4800801016)
  • Position 184 – BEND (SKU: 4800801019)
  • Position 185 – SECHSKANTSCHRAUBE (SKU: 4810000170)
  • Position 186 – LIEFERFLANSCHDICHTUNG (SKU: 4800801020)
  • Position 187 – STECKER (SKU: 4800501021)
  • Position 188 – O-RING (SKU: 4800501022)
  • Position 189 – SIEB (ABS) (SKU: 4800875029)
  • Position 190 – Schlauchband (Artikelnummer: 4800801028)
  • Position 191 – RAHMEN (SKU: 4810000250)
  • Position 193 – FLANSCHMUTTER (M8) (SKU: 4800501024)
  • Position 194 – ETIKETT (PUMPENNAME) (SKU: 4879000503)
  • Position 195 – Innensechskantschraube (Artikelnummer: 4800571092)
  • Position 196 – HAKEN (SKU: 4800571021)
  • Position 199 – ÖLSENSOR CP (SKU: 2777630121)
  • Position 200 – O-RING (SKU: 2777635008)
  • Position 202 – Abschirmplatte (O/S) (SKU: 2777580103)
  • Position 203 – Flanschschraube (Artikelnummer: 0010406140)
  • Position 204 – Blechschraube (Artikelnummer: 0152050010)

Zahlung & Sicherheit

American Express Apple Pay Bancontact Google Pay iDEAL Klarna Maestro Mastercard PayPal Shop Pay Union Pay Visa

Ihre Zahlungsinformationen werden sicher verarbeitet. Wir speichern weder Kreditkartendaten noch haben wir Zugriff auf Ihre Kreditkarteninformationen.

Das Verschiffen schätzen

Customer Reviews

Be the first to write a review
0%
(0)
0%
(0)
0%
(0)
0%
(0)
0%
(0)

Das könnte Ihnen auch gefallen

Zuletzt angesehen