Explosionszeichnung – 4105 KB


Preis:
Verkaufspreis€0,00
Aktie:
Auf Lager

Beschreibung

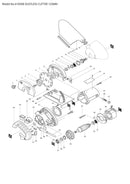
  • Position 004 – ÄUSSERER FLANSCH 36 (SKU: 224081-2)
  • Position 005 – Flachkopfschraube M4x18 (Artikelnummer: 911131-9)
  • Position 007 – INNENFLANSCH 36 (SKU: 224080-4)
  • Position 008 – Klingengehäuse (SKU: 315360-0)
  • Position 009 – SPINDEL (SKU: 321383-8)
  • Position 010 – WOODRUFF KEY 4 (SKU: 254011-9)
  • Position 011 – DÜNNE UNTERLEGSCHEIBE 12 (SKU: 253335-0)
  • Position 013 – Sicherungsring R-32 (SKU: 962151-6)
  • Position 014 – SCHRÄGZAHNRAD ​​40 (SKU: 221692-4)
  • Position 015 – Sicherungsring (außen) S-12 (SKU: 961052-5)
  • Position 016 – NADELLAGER 709 (SKU: 212019-9)
  • Position 017 – VERSCHLUSS (SKU: 411301-5)
  • Position 019 – GUMMIRING 26 (SKU: 262018-1)
  • Position 020 – Federscheibe 6 (SKU: 942151-2)
  • Position 021 – FLÜGELMUTTER M6 (SKU: 934301-3)
  • Position 022 – NIET 0-5 (SKU: 953106-2)
  • Position 024 – Flachkopfschraube M5x40 (Artikelnummer: 911263-2)
  • Position 025 – MOTORGEHÄUSE (SKU: 156300-7)
  • Position 027 – Bürstenhalterkappe 6-10 (SKU: 643600-9)
  • Position 029 – LEITERPLATTE (SKU: 411902-9)
  • Position 031 – KUGELLAGER 608LLB (SKU: 211031-6)
  • Position 034 – FAN 72 (SKU: 241636-8)
  • Position 035 – Sicherungsring (außen) S-12 (SKU: 961052-5)
  • Position 039 – SCHWAMMBLATT (SKU: 685700-9)
  • Position 045 – SCHALTERABDECKUNG (SKU: 421142-1)
  • Position 048 – Federstift 6-36 (SKU: 951222-4)
  • Position 050 – Vierkantschraube mit Kappe M6X20 (Artikelnummer: 251919-8)
  • Position 052 – Flachkopfschraube M4x10 mit (Artikelnummer: 911113-1)
  • Position 053 – SEPARATOR (SKU: 162097-8)
  • Position 054 – Flachkopfschraube M4x22 (Artikelnummer: 911143-2)
  • Position 057 – RELAISABDECKUNG (SKU: 410192-1)
  • Position 400 – SCHRAUBENSCHLÜSSEL 22 (SKU: 781011-1)
  • Position 402 – SCHLÜSSELHALTER 5.6 (SKU: 410047-0)
  • Position 900 – RING 20 (SKU: 257199-4)

Zahlung & Sicherheit

American Express Apple Pay Bancontact Google Pay iDEAL Klarna Maestro Mastercard PayPal Shop Pay Union Pay Visa

Ihre Zahlungsinformationen werden sicher verarbeitet. Wir speichern weder Kreditkartendaten noch haben wir Zugriff auf Ihre Kreditkarteninformationen.

Das Verschiffen schätzen

Customer Reviews

Be the first to write a review
0%
(0)
0%
(0)
0%
(0)
0%
(0)
0%
(0)

Das könnte Ihnen auch gefallen

Zuletzt angesehen