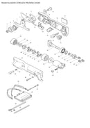
Explosionszeichnung – 4603D

Makita
Ausverkauft

Preis:
Sonderpreis€0,00

Beschreibung

  • Position 001 – SECHSKANTMUTTER M8-13 (SKU: 252128-2)
  • Position 006 – Schermesser U (1 Stk.) (SKU: 792704-5)
  • Position 008 – Unterlegscheibe 10 (Artikelnummer: 267052-6)
  • Position 011 – Typenschild 4603D (SKU: 857002-5)
  • Position 012 – EINLASS (SKU: 655408-9)
  • Position 013 – Überstromrelais (SKU: 652633-3)
  • Position 014 – SCHALTER V-15-1A6 (SKU: 651900-3)
  • Position 015 – Schalthebel komplett (SKU: 154378-4)
  • Position 020 – Sicherungsring S-17 (SKU: 961057-5)
  • Position 021 – Unterlegscheibe 10 (Artikelnummer: 267070-4)
  • Position 022 – FLUGLAGER 10 (SKU: 214056-9)
  • Position 024 – Stirnrad 15 (SKU: 226232-3)
  • Position 025 – Stirnrad 15 (SKU: 226232-3)
  • Position 026 – Stirnrad 15 (SKU: 226232-3)
  • Position 027 – Kohlebürste CB-414 (SKU: 191949-6)
  • Position 028 – Bürstenhalterkappe (SKU: 643919-6)
  • Position 030 – Unterlegscheibe 12 (Artikelnummer: 267067-3)
  • Position 031 – INNENZAHNRAD ​​67 (SKU: 226205-6)
  • Position 032 – STIRNRAD 28 (SKU: 226204-8)
  • Position 033 – STIRNRAD 28 (SKU: 226204-8)
  • Position 034 – STIRNRAD 28 (SKU: 226204-8)
  • Position 035 – STIRNRAD 11 KOMPLETT (SKU: 153196-7)
  • Position 036 – STIRNRAD 28 (SKU: 226204-8)
  • Position 037 – STIRNRAD 28 (SKU: 226204-8)
  • Position 038 – STIRNRAD 28 (SKU: 226204-8)
  • Position 039 – Stirnrad 9 Komplett (SKU: 153201-0)
  • Position 040 – Unterlegscheibe 10 (Artikelnummer: 253180-3)
  • Position 045 – DRUCKFEDER 6 (SKU: 231393-6)
  • Position 046 – SPERRKNOPF (SKU: 414464-6)
  • Position 049 – SCHULTERGURT (SKU: 163318-1)
  • Position 052 – HÜFTGÜRTEL (SKU: 163315-7)
  • Position 053 – RIEMEN EINSTELLEN (SKU: 444015-1)
  • Position 054 – QUADRATISCHER RING (SKU: 414755-5)

You may also like

Recently viewed