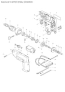
Explosionszeichnung – 6811D


Preis:
Verkaufspreis€0,00
Aktie:
Auf Lager

Beschreibung

  • Position 001 – Gehäusesatz (blau) (SKU: 182241-1)
  • Position 002 – Typenschild 6811D (SKU: 856351-7)
  • Position 003 – SCHALTER C3BC-BC (SKU: 651889-5)
  • Position 004 – EINLASS (SKU: 655408-9)
  • Position 006 – DRUCKFEDER 4 (SKU: 231469-9)
  • Position 007 – Schalthebel (SKU: 414353-5)
  • Position 008 – Staubschutzkappe (schwarz) (SKU: 421343-1)
  • Position 009 – Gummistift 4 (SKU: 263002-9)
  • Position 010 – Gummistift 4 (SKU: 263002-9)
  • Position 012 – SICHERUNGSRING (SKU: 410907-6)
  • Position 013 – Staubring (Artikelnummer: 421314-8)
  • Position 014 – Gleitlager 14 (Artikelnummer: 214154-9)
  • Position 015 – STAHLKUGEL 3,5 (SKU: 216001-0)
  • Position 016 – Spindel komplett (SKU: 152348-7)
  • Position 017 – Unterlegscheibe 5 (Artikelnummer: 267066-5)
  • Position 018 – STAHLKUGEL 4 (SKU: 216008-6)
  • Position 019 – Torsionsfeder 27 (SKU: 231589-9)
  • Position 020 – Kupplungsnocken (SKU: 223078-8)
  • Position 021 – DRUCKFEDER 6 (SKU: 231470-4)
  • Position 022 – DRUCKFEDER 9 (SKU: 231471-2)
  • Position 023 – Getriebe komplett (SKU: 153192-5)
  • Position 024 – Unterlegscheibe 10 (Artikelnummer: 253878-2)
  • Position 025 – Axialkugellager 1018 (Artikelnummer: 211130-4)
  • Position 026 – Unterlegscheibe 10 (Artikelnummer: 253878-2)
  • Position 027 – Gleitlager 6 (Artikelnummer: 214012-9)
  • Position 028 – STAHLKUGEL 4 (SKU: 216008-6)
  • Position 029 – STAHLKUGEL 4 (SKU: 216008-6)
  • Position 030 – Blattfeder (SKU: 232050-9)
  • Position 031 – SCHRAUBE M5X33 (SKU: 251880-9)
  • Position 032 – Gleitlager 5 (Artikelnummer: 214017-9)
  • Position 033 – Zahnrad komplett 16-41 (SKU: 226088-4)
  • Position 034 – Gleitlager 5 (Artikelnummer: 214017-9)
  • Position 036 – Gehäusesatz (blau) (SKU: 182241-1)
  • Position 037 – Flachkopfschraube M4x22 (Artikelnummer: 911143-2)
  • Position 052 – RIEMEN EINSTELLEN (SKU: 444015-1)
  • Position 053 – QUADRATISCHER RING (SKU: 414755-5)
  • Position 054 – STOPFEN KOMPLETT (SKU: 152407-7)

Zahlung & Sicherheit

American Express Apple Pay Bancontact Google Pay iDEAL Klarna Maestro Mastercard PayPal Shop Pay Union Pay Visa

Ihre Zahlungsinformationen werden sicher verarbeitet. Wir speichern weder Kreditkartendaten noch haben wir Zugriff auf Ihre Kreditkarteninformationen.

Das Verschiffen schätzen

Customer Reviews

Be the first to write a review
0%
(0)
0%
(0)
0%
(0)
0%
(0)
0%
(0)

Das könnte Ihnen auch gefallen

Zuletzt angesehen