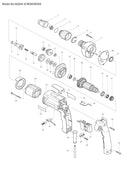
Explosionszeichnung – 6826N


Preis:
Verkaufspreis€0,00
Aktie:
Auf Lager

Beschreibung

  • Position 001 – Positionierer komplett 5/16" (SKU: 152822-5)
  • Position 002 – Staubdichtring (SKU: 421775-2)
  • Position 003 – O-RING 22 (SKU: 213373-4)
  • Position 005 – Blattfeder (SKU: 232154-7)
  • Position 006 – Blechschraube 4x30 (Artikelnummer: 266050-7)
  • Position 007 – GETRIEBEGEHÄUSE KOMPLETT (SKU: 153497-3)
  • Position 008 – RING 20 (SKU: 421766-3)
  • Position 009 – Blattfeder (SKU: 232050-9)
  • Position 010 – STAHLKUGEL 3,5 (SKU: 216001-0)
  • Position 011 – SPINDEL (SKU: 324328-5)
  • Position 012 – DRUCKFEDER 6 (SKU: 233126-5)
  • Position 013 – Bundstift 8 (Artikelnummer: 268099-3)
  • Position 014 – STIRNRAD 36 (SKU: 227090-0)
  • Position 016 – ZAHNRAD ​​KOMPLETT 17-35 (SKU: 226133-5)
  • Position 017 – Unterlegscheibe 8 (Artikelnummer: 267017-8)
  • Position 019 – UNTERLEGSCHEIBE 824 (SKU: 216213-5)
  • Position 021 – UNTERLEGSCHEIBE 821 (SKU: 216212-7)
  • Position 022 – Getriebegehäuseabdeckung komplett (Artikelnummer: 153499-9)
  • Position 023 – KUGELLAGER 608DDW (SKU: 210005-4)
  • Position 024 – ANKERBAUGRUPPE 220 V (SKU: 510054-4)
  • Position 025 – ISOLATIONSSCHEIBE (SKU: 681636-0)
  • Position 026 – KUGELLAGER 607LLB (SKU: 211021-9)
  • Position 027 – GUMMIRING 19 (SKU: 421479-6)
  • Position 028 – Prallplatte (Artikelnummer: 416993-5)
  • Position 029 – Blechschraube 4x55 (Artikelnummer: 266147-2)
  • Position 030 – FELD 220-240 V (SKU: 633443-7)
  • Position 031 – HAKEN (SKU: 417625-7)
  • Position 034 – NAMENSSCHILD 6826N (SKU: 850433-7)
  • Position 035 – Bürstenhalter (Artikelnummer: 643960-9)
  • Position 037 – NETZKABEL 1.0-2-4.0 (SKU: 695034-2)
  • Position 038 – Kabelschutz 8 (Artikelnummer: 682559-5)
  • Position 040 – Blechschraube 4x18 (Artikelnummer: 265995-6)
  • Position 041 – SCHALTER C3MA-2L (SKU: 651978-6)
  • Position 043 – Blechschraube 4x25 (Artikelnummer: 265999-8)
  • Position 044 – Unterlegscheibe 8 (Artikelnummer: 253139-0)
  • Position 045 – Bürstenhalter (Artikelnummer: 643961-7)
  • Position 047 – Blechschraube 4x25 (Artikelnummer: 265999-8)
  • Position 048 – FAN 52 (SKU: 240022-0)
  • Position 049 – DICHTUNG (SKU: 442136-3)
  • Position 050 – PIN 3 (SKU: 256157-7)

Zahlung & Sicherheit

American Express Apple Pay Bancontact Google Pay iDEAL Klarna Maestro Mastercard PayPal Shop Pay Union Pay Visa

Ihre Zahlungsinformationen werden sicher verarbeitet. Wir speichern weder Kreditkartendaten noch haben wir Zugriff auf Ihre Kreditkarteninformationen.

Das Verschiffen schätzen

Customer Reviews

Be the first to write a review
0%
(0)
0%
(0)
0%
(0)
0%
(0)
0%
(0)

Das könnte Ihnen auch gefallen

Zuletzt angesehen