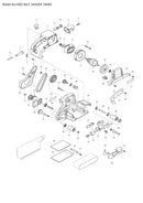
Explosionszeichnung – 9903


Preis:
Verkaufspreis€0,00
Aktie:
Auf Lager

Beschreibung

  • Position 001 – SCHALTER SGEL115CDY-6 (SKU: 651284-9)
  • Position 002 – MOTORGEHÄUSE KOMPLETT (SKU: 151743-8)
  • Position 004 – VORDERGRIFF (SKU: 417049-7)
  • Position 005 – Blechschraube 5x30 (Artikelnummer: 266173-1)
  • Position 009 – Blechschraube 4x18 (Artikelnummer: 265995-6)
  • Position 010 – KUGELLAGER 6000DDW (SKU: 211088-7)
  • Position 011 – ISOLATIONSSCHEIBE (SKU: 681649-1)
  • Position 013 – Blechschraube 5x45 (Artikelnummer: 266056-5)
  • Position 017 – LEITERPLATTE (SKU: 417050-2)
  • Position 018 – FAN 75 (SKU: 240026-2)
  • Position 019 – KUGELLAGER 627DDW (SKU: 210023-2)
  • Position 020 – MOTORABDECKUNG (SKU: 417047-1)
  • Position 021 – MAKITA LABEL (SKU: 819001-5)
  • Position 022 – Blechschraube 4x18 (Artikelnummer: 265995-6)
  • Position 023 – GRIFFABDECKUNG (SKU: 417051-0)
  • Position 024 – RIEMENABDECKUNG (SKU: 417052-8)
  • Position 025 – SECHSKANTMUTTER M6-10 (SKU: 252153-3)
  • Position 026 – Synchronriemen 6-330 (Artikelnummer: 225084-9)
  • Position 027 – FAN 76 (SKU: 241663-5)
  • Position 028 – SCHRAUBE M6X25 (SKU: 251815-0)
  • Position 031 – Blechschraube 4x30 (Artikelnummer: 266050-7)
  • Position 032 – SECHSKANTMUTTER M8 (SKU: 931402-8)
  • Position 033 – RIEMENSCHEIBE 9,5-46,0 (SKU: 222156-1)
  • Position 034 – GETRIEBEABDECKUNG (SKU: 317273-1)
  • Position 035 – KUGELLAGER 629DDW (SKU: 211092-6)
  • Position 036 – SCHRÄGZAHNRAD ​​10 (SKU: 226520-8)
  • Position 037 – SCHRÄGZAHNRAD ​​39 KOMPLETT (SKU: 151755-1)
  • Position 038 – NAMENSSCHILD 9903 (SKU: 852044-4)
  • Position 039 – RAHMEN KOMPLETT (SKU: 151746-2)
  • Position 040 – KUGELLAGER 6000DDW (SKU: 211088-7)
  • Position 041 – ANTRIEBSWALZE (SKU: 162217-4)
  • Position 042 – SECHSKANTMUTTER M8-13 (SKU: 252154-1)
  • Position 043 – Sicherungsring (außen) S-12 (SKU: 961052-5)
  • Position 044 – SPANNROLLENWELLE (SKU: 323931-9)
  • Position 045 – Tellerscheibe 12 (SKU: 253922-5)
  • Position 046 – SPANNROLLE KOMPLETT (SKU: 151753-5)
  • Position 047 – HEBEL (SKU: 344823-9)
  • Position 048 – Tellerscheibe 4 (SKU: 267731-6)
  • Position 049 – ANSATZSCHRAUBE M4 (SKU: 265059-6)
  • Position 050 – ROLLE (SKU: 416417-1)
  • Position 051 – DRUCKFEDER 7 (SKU: 233249-9)
  • Position 052 – SPANNROLLENARM KOMPLETT (SKU: 151744-6)
  • Position 053 – Tellerscheibe 17 (SKU: 267746-3)
  • Position 054 – DRUCKFEDER 12 (SKU: 233250-4)
  • Position 055 – Blechschraube CT 4X16 (SKU: 266034-5)
  • Position 056 – SICHERHEITSABDECKUNG (SKU: 344821-3)
  • Position 062 – GURTSCHEIBE (SKU: 344848-3)
  • Position 063 – GUARD (SKU: 344829-7)
  • Position 064 – Blechschraube 4x18 (Artikelnummer: 265995-6)
  • Position 065 – Blechschraube CT 4X16 (SKU: 266034-5)
  • Position 066 – Blechschraube CT 4X16 (SKU: 266034-5)
  • Position 067 – Blechschraube CT 4X16 (SKU: 266034-5)

Zahlung & Sicherheit

American Express Apple Pay Bancontact Google Pay iDEAL Klarna Maestro Mastercard PayPal Shop Pay Union Pay Visa

Ihre Zahlungsinformationen werden sicher verarbeitet. Wir speichern weder Kreditkartendaten noch haben wir Zugriff auf Ihre Kreditkarteninformationen.

Das Verschiffen schätzen

Customer Reviews

Be the first to write a review
0%
(0)
0%
(0)
0%
(0)
0%
(0)
0%
(0)

Das könnte Ihnen auch gefallen

Zuletzt angesehen