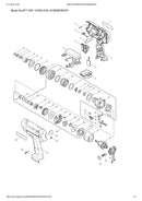
Beschreibung
- Position 001 – TYPENSCHILD BFT120F (SKU: 850069-2)
- Position 002 – GEHÄUSESATZ (SKU: 183556-9)
- Position 003 – PIN 2.5 (SKU: 256176-3)
- Position 004 – LED-SCHALTUNG (SKU: 631513-6)
- Position 005 – V/H-Umschalthebel (SKU: 417511-2)
- Position 008 – SUMMERSCHALTUNG (SKU: 631514-4)
- Position 009 – TERMINAL (SKU: 643800-1)
- Position 010 – RINGFEDER 10 (SKU: 231965-7)
- Position 011 – Unterlegscheibe 11 (Artikelnummer: 267143-3)
- Position 012 – DRUCKFEDER 13 (SKU: 233005-7)
- Position 013 – HÜLSE (SKU: 162218-2)
- Position 015 – FRONTPLATTE (SKU: 345297-7)
- Position 016 – O-RING 36 (SKU: 213510-0)
- Position 017 – VORDERE ABDECKUNG (SKU: 418047-4)
- Position 018 – FEDERHALTER A (SKU: 418048-2)
- Position 019 – DÜNNE UNTERLEGSCHEIBE 30 (SKU: 253356-2)
- Position 020 – DRUCKFEDER 30 (SKU: 233365-7)
- Position 021 – DÜNNE UNTERLEGSCHEIBE 24 (SKU: 253355-4)
- Position 022 – Sicherungsring S-12 (SKU: 961072-9)
- Position 023 – Unterlegscheibe 12 (Artikelnummer: 253052-2)
- Position 024 – STAHLKUGEL 3 (SKU: 216019-1)
- Position 025 – Unterlegscheibe 12 (Artikelnummer: 253052-2)
- Position 026 – DREHMOMENTPLATTE (SKU: 345289-6)
- Position 027 – GETRIEBEGEHÄUSE KOMPLETT (SKU: 153505-0)
- Position 028 – KUPPLUNGSRING (SKU: 324311-2)
- Position 029 – STAHLKUGEL 4 (SKU: 216008-6)
- Position 030 – DRUCKFEDER 2 (SKU: 233025-1)
- Position 031 – SCHALTHEBEL (SKU: 418051-3)
- Position 032 – HALTERPLATTE (SKU: 345296-9)
- Position 035 – Flachkopfschraube M2.3X10 (SKU: 265114-4)
- Position 036 – Unterlegscheibe 12 (Artikelnummer: 253052-2)
- Position 037 – STAHLKUGEL 3 (SKU: 216019-1)
- Position 038 – SPINDEL M (SKU: 324294-6)
- Position 039 – TRÄGER KOMPLETT A (SKU: 153509-2)
- Position 040 – STIRNRAD 17 (SKU: 227063-3)
- Position 041 – INNENZAHNRAD 46 (SKU: 227066-7)
- Position 042 – STAHLKUGEL 3 (SKU: 216019-1)
- Position 043 – Unterlegscheibe 18 (Artikelnummer: 267225-1)
- Position 044 – INNENGETRIEBEGEHÄUSE (SKU: 418059-7)
- Position 045 – Blechschraube 3x12 (Artikelnummer: 265893-4)
- Position 046 – STIRNRAD 10 KOMPLETT (SKU: 153508-4)
- Position 047 – STIRNRAD 31 (SKU: 227059-4)
- Position 048 – Sicherungsscheibe (SKU: 267738-2)
- Position 049 – MOTORHALTERUNG (SKU: 418045-8)
- Position 050 – Jocheinheit (Artikelnummer: 638191-3)
- Position 051 – ANKER (SKU: 619107-7)
- Position 052 – ENDBELL KOMPLETT (SKU: 638195-5)
- Position 054 – Bürstenhalterkappe (SKU: 643933-2)
- Position 055 – PLATTE (SKU: 345293-5)
- Position 056 – LINSE (SKU: 416764-0)
- Position 057 – GEHÄUSESATZ (SKU: 183556-9)
- Position 058 – MAKITA MARK (SKU: 819064-1)
- Position 060 – ZAHNRADBAUGRUPPE CM (SKU: 125198-3)
Zahlung & Sicherheit
Ihre Zahlungsinformationen werden sicher verarbeitet. Wir speichern weder Kreditkartendaten noch haben wir Zugriff auf Ihre Kreditkarteninformationen.
