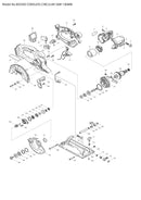
Explosionszeichnung – BSS500

Makita
Ausverkauft

Preis:
Sonderpreis€0,00

Beschreibung

  • Position 001 – Blechschraube 4x35 (Artikelnummer: 266053-1)
  • Position 002 – Bürstenhalterkappe (SKU: 643807-7)
  • Position 003 – Kohlebürste CB-430 (SKU: 191971-3)
  • Position 006 – Blechschraube 4x18 (Artikelnummer: 265995-6)
  • Position 007 – BSS500 TYPENSCHILD (SKU: 863419-2)
  • Position 010 – Blechschraube 4x18 (Artikelnummer: 265995-6)
  • Position 012 – DRUCKFEDER 4 (SKU: 231469-9)
  • Position 013 – Verriegelungshebel (SKU: 419664-3)
  • Position 014 – SCHALTER TG72BD (SKU: 651956-6)
  • Position 015 – DRUCKFEDER 4 (SKU: 231469-9)
  • Position 016 – SCHALTHEBEL (SKU: 419665-1)
  • Position 018 – Flachkopfschraube M4x18 (Artikelnummer: 911133-5)
  • Position 022 – Flachkopfschraube M4x18 (Artikelnummer: 911133-5)
  • Position 023 – GUMMIRING 13 (SKU: 421977-0)
  • Position 024 – ANKER (SKU: 619214-6)
  • Position 025 – WELLENSPERRE (SKU: 345643-4)
  • Position 026 – DRUCKFEDER 6 (SKU: 233117-6)
  • Position 027 – GETRIEBEGEHÄUSE (SKU: 419656-2)
  • Position 028 – O-RING 44 (SKU: 213560-5)
  • Position 030 – ZAHNRADWELLE (SKU: 324729-7)
  • Position 031 – SCHRÄGZAHNRAD ​​35 (SKU: 226643-2)
  • Position 032 – KUGELLAGER 6900ZZ (SKU: 210080-0)
  • Position 033 – SCHRÄGZAHNRAD ​​15 (SKU: 226635-1)
  • Position 034 – LED-SCHALTUNG (SKU: 631550-0)
  • Position 035 – Gummimanschette 6 (SKU: 262566-0)
  • Position 036 – HÜLSE 4 (SKU: 262563-6)
  • Position 037 – Blechschraube 4x25 (Artikelnummer: 265999-8)
  • Position 038 – Klingentasche (Artikelnummer: 318152-6)
  • Position 039 – GEBLÄSDÜSE (SKU: 419935-8)
  • Position 040 – Blechschraube BIND CT 4X12 (SKU: 266026-4)
  • Position 041 – KUGELLAGER 696ZZ (SKU: 210006-2)
  • Position 042 – Sicherungsring S-10 (Artikelnummer: 961006-2)
  • Position 043 – SCHRÄGZAHNRAD ​​23 (SKU: 226640-8)
  • Position 044 – HÜLSE 10 (SKU: 257760-7)
  • Position 045 – LAGERHALTER 14-23 (SKU: 285847-5)
  • Position 046 – KUGELLAGER 6900DDW (SKU: 210069-8)
  • Position 047 – O-RING 26 (SKU: 213435-8)
  • Position 048 – LAGERGEHÄUSE (SKU: 318087-1)
  • Position 049 – SPINDEL (SKU: 324730-2)
  • Position 050 – + SENKKOPFSCHRAUBE (Artikelnummer: 265034-2)
  • Position 051 – DICKENRING (SKU: 345470-9)
  • Position 053 – Zugfeder 4 (Artikelnummer: 231835-0)
  • Position 054 – SICHERHEITSABDECKUNG (SKU: 419933-2)
  • Position 055 – Unterlegscheibe 26 (Artikelnummer: 267127-1)
  • Position 056 – Sicherungsring (außen) WR-26 (SKU: 257938-2)
  • Position 057 – INNENFLANSCH 30 (SKU: 224391-7)
  • Position 058 – ÄUSSERER FLANSCH 30 (SKU: 224404-4)
  • Position 060 – ANSCHLAGRING E-8 (SKU: 961014-3)
  • Position 061 – HEBEL 40 (SKU: 272229-0)
  • Position 062 – SECHSKANTMUTTER M6 (Artikelnummer: 252159-1)
  • Position 063 – Unterlegscheibe 6 (Artikelnummer: 941151-9)
  • Position 064 – ROHR 6 (SKU: 331733-9)
  • Position 065 – SECHSKANTMUTTER M5-8 (SKU: 252103-8)
  • Position 066 – BASIS KOMPLETT (SKU: 158252-8)
  • Position 067 – + Linsenkopfschraube M5 (Artikelnummer: 265056-2)
  • Position 068 – Flache, hochkantige Schraube M6X (Artikelnummer: 266405-6)
  • Position 069 – HSS-Stellschraube (flache Spitze) M6X (SKU: 266225-8)
  • Position 070 – Vierkantschraube mit Kappe M6X20 (Artikelnummer: 251919-8)
  • Position 071 – SCHRAUBE M5X20 (SKU: 251896-4)
  • Position 072 – DRUCKFEDER 6 (SKU: 231007-7)
  • Position 073 – Unterlegscheibe 6 (Artikelnummer: 941151-9)
  • Position 074 – SECHSKANTMUTTER M6 (Artikelnummer: 252133-9)
  • Position 075 – HEBEL 30 (SKU: 272251-7)
  • Position 076 – ANSCHLAGRING E-8 (SKU: 961014-3)
  • Position 077 – Unterlegscheibe 9 (Artikelnummer: 267231-6)

You may also like

Recently viewed