Beschreibung
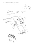
- Position 001 – Hebelscheide (Artikelnummer: 671687001)
- Position 002 – Griffscheide (Artikelnummer: 671103001)
- Position 003 – FRAMOUT-POLE (SKU: DA00001087)
- Position 004 – FAHRSTANGE (SKU: DA00001060)
- Position 005 – Hebelscheide (Artikelnummer: 671687001)
- Position 006 – OBERER GRIFF (SKU: 671001814)
- Position 007 – SECHSKANT-HUTMUTTER M6 (SKU: DA00000575)
- Position 008 – Unterlegscheibe 6 (SKU: DA00000574)
- Position 009 – ÄUSSERER DRAHTSTOPPER (SKU: DA00000573)
- Position 010 – FRAMOUT-KABEL (SKU: DA00001164)
- Position 011 – ANTRIEBSKABEL (SKU: DA00000952)
- Position 012 – DROSSELKLAPPENGRUPPE (SKU: DA00001165)
- Position 013 – SECHSKANTFLANSCHSCHRAUBE M6X55 (SKU: DA00000572)
- Position 014 – SECHSKANTFLANSCHSCHRAUBE M6X35 (SKU: DA00000577)
- Position 015 – STARTERGRIFFHAKEN (SKU: DA00000579)
- Position 016 – Unterlegscheibe 6 (Artikelnummer: DA00000574)
- Position 017 – Federscheibe 6 (SKU: DA00000576)
- Position 018 – SECHSKANTMUTTER M8 (SKU: DA00000563)
- Position 019 – KNOPF (SKU: DA00000564)
- Position 020 – KUNSTSTOFF-SATTELSCHEIBE 8 (SKU: DA00000924)
- Position 021 – SATTELKOPFSCHRAUBE M8X58 (SKU: DA00000569)
- Position 022 – KUNSTSTOFF-SATTELSCHEIBE 8 (SKU: DA00000924)
- Position 023 – KNOPF (SKU: DA00000564)
- Position 024 – SECHSKANTMUTTER M8 (SKU: DA00000563)
- Position 025 – UNTERER GRIFF (SKU: DA00000951)
- Position 026 – SCHRAUBE M8X40 (SKU: DA00000566)
- Position 027 – KUNSTSTOFF-SATTELSCHEIBE 8 (SKU: DA00000924)
- Position 028 – KNOPF (SKU: DA00000564)
- Position 029 – SECHSKANTMUTTER M8 (SKU: DA00000563)
- Position 030 – KABELCLIP (SKU: DA00001170)
- Position 031 – SCHRAUBE M8X40 (SKU: DA00000566)
- Position 032 – SECHSKANTFLANSCH-SICHERUNGSMUTTER M8 (SKU: DA00000537)
- Position 033 – VIERKANTSCHEIBE 8 (SKU: DA00000582)
- Position 035 – Steckschlüssel 16 mm (Artikelnummer: DA00000583)
- Position 036 – SCHLÜSSELGRIFF (SKU: DA00000584)
- Position 038 – ABDECKUNGSBEFESTIGUNGSKAPPE (SKU: 671314001)
- Position 039 – Blechschraube ST4.8X19 (Artikelnummer: DA00000614)
- Position 040 – SECHSKANTFLANSCHSCHRAUBE M8X16 (SKU: DA00000562)
- Position 042 – SECHSKANTFLANSCH-SICHERUNGSMUTTER M8 (SKU: DA00000537)
- Position 044 – SECHSKANTFLANSCHSCHRAUBE M8X16 (SKU: DA00000562)
- Position 045 – LINKE GRIFFHALTERUNG BLAU (SKU: DA00000587)
- Position 046 – SECHSKANTFLANSCH-SICHERUNGSMUTTER M8 (SKU: DA00000537)
- Position 049 – Seitenklappen-Drehfeder (SKU: DA00000556)
- Position 051 – SECHSKANTFLANSCH-SICHERUNGSMUTTER M6 (SKU: DA00000543)
- Position 052 – SEITENKLAPPEN-SCHARNIERPLATTE (SKU: DA00000555)
- Position 053 – Flachrundkopfschraube M6x16 (Artikelnummer: DA00000552)
- Position 054 – DECK (MAKITA BLAU) (SKU: 671015250)
- Position 055 – Pleuelfeder (Artikelnummer: DA00000546)
- Position 056 – Pleuelstange (Artikelnummer: 671001813)
- Position 059 – RADABDECKUNG 10 ZOLL (SKU: 671001322)
- Position 060 – SECHSKANTFLANSCH-SICHERUNGSMUTTER M8 (SKU: DA00000537)
- Position 061 – KUGELLAGER 6201ZZ (SKU: DA00000538)
- Position 062 – RADKOMPLETT 11 ZOLL (SKU: 671002021)
- Position 063 – KUGELLAGER 6201ZZ (SKU: DA00000538)
- Position 064 – Innenzahnrad (SKU: 671200010)
- Position 065 – Blechschraube ST4X16 (SKU: DA00000603)
- Position 066 – UNTERLEGSCHEIBE (SKU: 671007065)
- Position 067 – Staubdichte Radabdeckung (Artikelnummer: 671251800)
- Position 068 – ANSCHLAGRING E-12 (SKU: DA00000604)
- Position 069 – STIRNRAD 14 RECHTS (SKU: DA00001091)
- Position 070 – Unterlegscheibe (Artikelnummer: 671007059)
- Position 071 – KUGELLAGER R8ZZ (SKU: DA00001029)
- Position 072 – ANTRIEBSWELLENLAGERGEHÄUSE (SKU: DA00000610)
- Position 073 – ANSCHLAGRING E-19 (SKU: DA00000612)
- Position 074 – HINTERRADACHSE SS'Y (SKU: 671001812)
- Position 076 – GRIFF (SKU: 671001707)
- Position 077 – HÖHENEINSTELLKNOPF (SKU: DA00001058)
- Position 078 – Linsenkopfschraube M6x14 (Artikelnummer: 671002030)
- Position 079 – Flachrundkopfschraube M6x12 (Artikelnummer: 671002019)
- Position 080 – LAGERGEHÄUSEHALTER (SKU: DA00000542)
- Position 081 – SECHSKANTFLANSCH-SICHERUNGSMUTTER M6 (SKU: DA00000543)
- Position 082 – SECHSKANTFLANSCH-SICHERUNGSMUTTER M6 (SKU: DA00000543)
- Position 083 – Lagergehäusehalterung (SKU: DA00000542)
- Position 084 – Flachrundkopfschraube M6x12 (Artikelnummer: 671002019)
- Position 085 – ANSCHLAGRING E-19 (SKU: DA00000612)
- Position 086 – ANTRIEBSWELLENLAGERGEHÄUSE (SKU: DA00000610)
- Position 087 – Staubdichte Radabdeckung (Artikelnummer: 671251800)
- Position 088 – UNTERLEGSCHEIBE (SKU: 671007065)
- Position 089 – KUGELLAGER R8ZZ (SKU: DA00001029)
- Position 090 – Unterlegscheibe (Artikelnummer: 671007059)
- Position 091 – STIRNRAD 14 LINKS (SKU: DA00001090)
- Position 092 – ANSCHLAGRING E-12 (SKU: DA00000604)
- Position 093 – Blechschraube ST4X16 (SKU: DA00000603)
- Position 094 – Innenzahnrad (SKU: 671200010)
- Position 095 – KUGELLAGER 6201ZZ (SKU: DA00000538)
- Position 096 – RADKOMPLETT 11 ZOLL (SKU: 671002021)
- Position 097 – KUGELLAGER 6201ZZ (SKU: DA00000538)
- Position 098 – SECHSKANTFLANSCH-SICHERUNGSMUTTER M8 (SKU: DA00000537)
- Position 099 – RADABDECKUNG 10 ZOLL (SKU: 671001322)
- Position 100 – RADABDECKUNG 7 ZOLL (SKU: DA00000536)
- Position 101 – SECHSKANTFLANSCH-SICHERUNGSMUTTER M8 (SKU: DA00000537)
- Position 102 – KUGELLAGER 6201ZZ (SKU: DA00000538)
- Position 103 – RADKOMPLETT 8 ZOLL (SKU: 671020160)
- Position 104 – KUGELLAGER 6201ZZ (SKU: DA00000538)
- Position 105 – Flachrundkopfschraube M6x12 (Artikelnummer: 671002019)
- Position 106 – Lagergehäusehalterung (SKU: DA00000542)
- Position 107 – SECHSKANTFLANSCH-SICHERUNGSMUTTER M6 (SKU: DA00000543)
- Position 108 – Achshalterung (Artikelnummer: DA00000545)
- Position 109 – VORDERACHSE (SKU: 671001811)
- Position 110 – SECHSKANTFLANSCH-SICHERUNGSMUTTER M6 (SKU: DA00000543)
- Position 111 – Lagergehäusehalterung (Artikelnummer: DA00000542)
- Position 112 – Flachrundkopfschraube M6x12 (Artikelnummer: 671002019)
- Position 113 – KUGELLAGER 6201ZZ (SKU: DA00000538)
- Position 114 – RADKOMPLETT 8 ZOLL (SKU: 671020160)
- Position 115 – KUGELLAGER 6201ZZ (SKU: DA00000538)
- Position 116 – SECHSKANTFLANSCH-SICHERUNGSMUTTER M8 (SKU: DA00000537)
- Position 117 – RADABDECKUNG 7 ZOLL (SKU: DA00000536)
- Position 118 – GETRIEBEFEDER (SKU: 671011173)
- Position 119 – GETRIEBE (SKU: 671502015)
- Position 120 – Säulenstift 5x21,5 (Artikelnummer: DA00000597)
- Position 121 – DREIECKSGURT (SKU: 671020380)
- Position 122 – ANTRIEBSRAD (SKU: DA00000599)
- Position 124 – RIEMENSCHUTZABDECKUNG (SKU: DA00000594)
- Position 125 – SECHSKANTFLANSCH-SICHERUNGSMUTTER M8 (SKU: DA00000537)
- Position 126 – Klingenfutterscheide (Artikelnummer: 671319001)
- Position 128 – KLINGENHALTERUNG (SKU: 671002049)
- Position 129 – NYLON-UNTERLEGSCHEIBE 32 (SKU: DA00000533)
- Position 130 – BLADE 51 (SKU: DA00000944)
- Position 131 – NYLON-UNTERLEGSCHEIBE 32 (SKU: DA00000531)
- Position 132 – ÄUSSERER RAND (SKU: DA00000530)
- Position 133 – Tellerfederscheibe 10 (SKU: DA00000529)
Zahlung & Sicherheit
Ihre Zahlungsinformationen werden sicher verarbeitet. Wir speichern weder Kreditkartendaten noch haben wir Zugriff auf Ihre Kreditkarteninformationen.
