Exploded View – DPC7331


Price:
Sale price€0,00
Stock:
In stock

Description

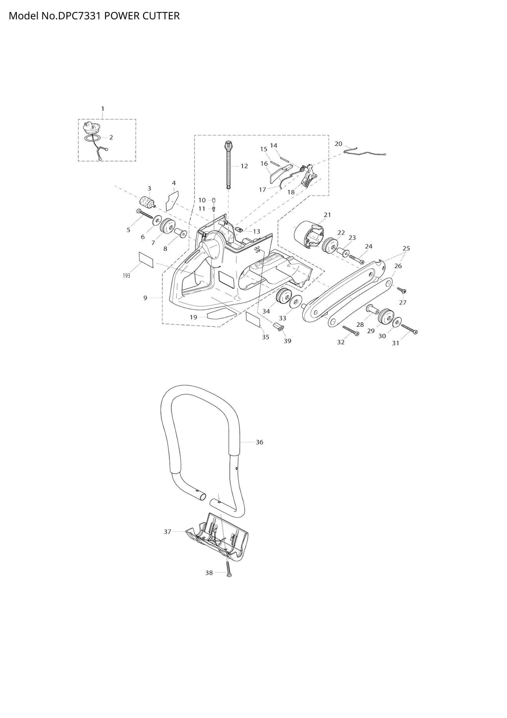
  • Position 001 – TANK CAP COMPLETE (SKU: 168507-3)
  • Position 002 – O RING 29.5 (SKU: 213080-9)
  • Position 003 – SUCTION HEAD (SKU: 163499-1)
  • Position 005 – TAPPING SCREW 5.5X45 (SKU: 266687-0)
  • Position 006 – Washer 5.8X26X2 (SKU: 346870-6)
  • Position 007 – Damper (SKU: 424695-9)
  • Position 008 – Axle for vibration damper (SKU: 319268-0)
  • Position 012 – Fuel line (SKU: 424723-0)
  • Position 013 – SCREW PLUG (SKU: 252897-5)
  • Position 014 – PIN 3 (SKU: 268335-7)
  • Position 015 – PIN 3 (SKU: 268233-5)
  • Position 016 – SAFETY LEVER (SKU: 455821-9)
  • Position 017 – SPRING (SKU: 233626-5)
  • Position 018 – THROTTLE LEVER (SKU: 455820-1)
  • Position 019 – Operation label (SKU: 806J47-0)
  • Position 020 – Throttle linkage (SKU: 326497-8)
  • Position 021 – RETAINER FOR DAMPER BLACK (SKU: 455806-5)
  • Position 022 – Damper (SKU: 424695-9)
  • Position 023 – Axle for vibration damper (SKU: 319268-0)
  • Position 024 – H.L. SOCKET HEAD BOLT M5X40 (SKU: 266943-8)
  • Position 025 – SIDE SUPPORT MAKITA (SKU: 143211-5)
  • Position 026 – Makita logo label (SKU: 806J44-6)
  • Position 027 – H.L.TAPPING SCREW 5.5X20 (SKU: 266475-5)
  • Position 028 – Axle for vibration damper (SKU: 319268-0)
  • Position 029 – Damper (SKU: 424695-9)
  • Position 030 – Washer 5.8X26X2 (SKU: 346870-6)
  • Position 031 – TAPPING SCREW 5.5X45 (SKU: 266687-0)
  • Position 032 – TAPPING SCREW 5.5X45 (SKU: 266687-0)
  • Position 033 – Washer (SKU: 346871-4)
  • Position 034 – Damper (SKU: 424695-9)
  • Position 035 – Name plate DPC7331 (SKU: 852C51-5)
  • Position 036 – Front handle complete (SKU: 143097-7)
  • Position 037 – Foot (SKU: 319270-3)
  • Position 038 – TAPPING SCREW 5.5X45 (SKU: 266687-0)
  • Position 039 – ADJUST GUIDE (SKU: 424709-4)
  • Position 041 – Filter cover assembly (black) (SKU: 143210-7)
  • Position 042 – THUMB SCREW M6X15 (SKU: 266692-7)
  • Position 043 – Filter cover complete (black) (SKU: 143209-2)
  • Position 044 – CAUTION LABEL (SKU: 806J49-6)
  • Position 045 – Pre filter (SKU: 424700-2)
  • Position 053 – H.L. SOCKET HEAD BOLT M5X50 (SKU: 266941-2)
  • Position 054 – Hood complete (SKU: 123322-2)
  • Position 055 – Packing ring (SKU: 424697-5)
  • Position 056 – Caution label (SKU: 806J51-9)
  • Position 057 – DEKO cover (black) (SKU: 424703-6)
  • Position 058 – AIR FILTER (SKU: 424701-0)
  • Position 059 – INNER FILTER (SKU: 424705-2)
  • Position 060 – H.L. SOCKET HEAD BOLT M5X20 (SKU: 266960-8)
  • Position 061 – H.L. SOCKET HEAD BOLT M5X12 (SKU: 266946-2)
  • Position 062 – SPRING WASHER 5 (SKU: 267821-5)
  • Position 063 – Muffler complete (SKU: 161339-7)
  • Position 067 – MUFFLER GASKET (SKU: 346876-4)
  • Position 068 – Cooling plate (SKU: 346868-3)
  • Position 072 – Intake hose (black) (SKU: 424708-6)
  • Position 073 – SPRING CLAMP (SKU: 233625-7)
  • Position 074 – GUIDE RING (SKU: 346867-5)
  • Position 076 – Choke linkage (SKU: 326496-0)
  • Position 077 – H.L. SOCKET HEAD BOLT M4X55 (SKU: 266944-6)
  • Position 079 – Gasket (SKU: 346874-8)
  • Position 082 – TUBE 3-120 (SKU: 424698-3)
  • Position 083 – RUBBER GROMMET (SKU: 424696-7)
  • Position 084 – Nipple (SKU: 326499-4)
  • Position 085 – MAKITA LOGO LABEL (SKU: 806K78-5)
  • Position 086 – Recoil starter complete (SKU: 123357-3)
  • Position 087 – SPRING WASHER 5 (SKU: 267862-1)
  • Position 088 – STARTER GRIP (SKU: 452458-3)
  • Position 089 – H.L. SOCKET HEAD BOLT M5X20 (SKU: 266938-1)
  • Position 090 – Starter housing complete (blue) (SKU: 123315-9)
  • Position 091 – REWIND SPRING COMPLETE (SKU: 140587-1)
  • Position 092 – Cable drum complete (SKU: 143098-5)
  • Position 093 – Air guide plate (SKU: 455805-7)
  • Position 094 – Retaining ring A14X1V (SKU: 257997-6)
  • Position 095 – HEXAGONAL NUT M8 (SKU: 264107-8)
  • Position 096 – SPRING WASHER 8 (SKU: 267822-3)
  • Position 097 – Flywheel complete (SKU: 123306-0)
  • Position 099 – Starter-ratchet (SKU: 346865-9)
  • Position 100 – TORSION SPRING 13 (SKU: 233535-8)
  • Position 101 – Cable complete (SKU: 632E42-2)
  • Position 104 – H.L. SOCKET HEAD BOLT M5X20 (SKU: 266942-0)
  • Position 106 – Ignition coil (SKU: 161316-9)
  • Position 107 – PLUG CAP (SKU: 424706-0)
  • Position 108 – TERMINAL SPRING (SKU: 234358-7)
  • Position 109 – SPARK PLUG (SKU: 168517-0)
  • Position 111 – Hood (SKU: 455819-6)
  • Position 112 – Hexalobular socket head bolt M5 (SKU: 266940-4)
  • Position 113 – H.L. SOCKET HEAD BOLT M5X30 (SKU: 266945-4)
  • Position 114 – RADIAL RING (SKU: 213814-0)
  • Position 115 – SQUARE NUT M5 (SKU: 264108-6)
  • Position 116 – RUBBER SHEET (SKU: 424707-8)
  • Position 117 – Crank case complete MS (SKU: 143227-0)
  • Position 118 – CLAMPING PIN (SKU: 258038-1)
  • Position 119 – Crankcase gasket (SKU: 346877-2)
  • Position 120 – BALL BEARING 6202 (SKU: 211154-0)
  • Position 122 – Decompression valve (SKU: 455804-9)
  • Position 126 – PISTON PIN (SKU: 257840-9)
  • Position 128 – PISTON RING (SKU: 257377-6)
  • Position 129 – CIRCLIP 12 (SKU: 234359-5)
  • Position 130 – GASKET (SKU: 346873-0)
  • Position 131 – PISTON PIN BEARING 12X16X13 (SKU: 212133-1)
  • Position 132 – WOODRUFF-KEY 3X3,7 (SKU: 254042-8)
  • Position 133 – CRANKSHAFT CPL. (SKU: 143108-8)
  • Position 134 – BALL BEARING 6202 (SKU: 211154-0)
  • Position 135 – Crank case complete CS (SKU: 143225-4)
  • Position 136 – RADIAL RING (SKU: 213814-0)
  • Position 137 – SNAP RING A 16 (SKU: 234366-8)
  • Position 138 – STOP RING (SKU: 346872-2)
  • Position 139 – Guide disc (SKU: 346866-7)
  • Position 140 – Clutch drum complete (SKU: 161317-7)
  • Position 141 – NEEDLE ROLLER BEARING 15X21 (SKU: 212134-9)
  • Position 142 – FLAT WASHER 12 (SKU: 267389-1)
  • Position 143 – Clutch complete (SKU: 123305-2)
  • Position 145 – V-belt (SKU: 424712-5)
  • Position 146 – Latch cover (blue) (SKU: 455832-4)
  • Position 147 – H.L. SOCKET HEAD BOLT M5X14 (SKU: 266947-0)
  • Position 150 – HEX. BOLT M8X25 (SKU: 266976-3)
  • Position 151 – FLANGE 102 (SKU: 224443-4)
  • Position 152 – Axle (SKU: 326503-9)
  • Position 153 – FLANGE 102 (SKU: 224443-4)
  • Position 154 – SPACER (SKU: 257375-0)
  • Position 155 – PRESSURE RING (SKU: 318746-7)
  • Position 156 – SLIDING DISC (SKU: 442169-8)
  • Position 157 – RUBBER RING(INNER) (SKU: 424426-6)
  • Position 158 – RUBBER RING(OUTER) (SKU: 424427-4)
  • Position 159 – SLIDING DISC (SKU: 442169-8)
  • Position 160 – IMPACT PLATE (SKU: 346455-8)
  • Position 161 – Caution label (SKU: 806P10-9)
  • Position 162 – Hood complete (SKU: 143795-3)
  • Position 163 – GRIP (SKU: 452938-9)
  • Position 165 – Cutting device 14 (SKU: 319286-8)
  • Position 167 – Retaining ring 40X1,75 (SKU: 257998-4)
  • Position 168 – BALL BEARING 6203LLU (SKU: 211281-3)
  • Position 169 – Retaining ring 40X1,75 (SKU: 257998-4)
  • Position 170 – SPACER (SKU: 257375-0)
  • Position 171 – BALL BEARING 6203LLU (SKU: 211281-3)
  • Position 172 – O-RING 9 (SKU: 213625-3)
  • Position 173 – STOP BOLT CPL. (SKU: 123307-8)
  • Position 175 – COMPRESSION SPRING 8 (SKU: 234216-7)
  • Position 176 – H.L.COLLAR BOLT M6 (SKU: 266689-6)
  • Position 177 – PULLEY COMPLETE (SKU: 222180-4)
  • Position 178 – HEX. BOLT M8X25 (SKU: 266976-3)
  • Position 180 – PLATE (SKU: 346457-4)
  • Position 181 – SQUARE NUT M6 (SKU: 264112-5)
  • Position 182 – COMPRESSION SPRING 6 (SKU: 234215-9)
  • Position 183 – Belt cover (blue) (SKU: 455956-6)
  • Position 185 – COLLARED HEX NUT M8 (SKU: 252145-2)
  • Position 201 – SEALING S (SKU: 422383-2)
  • Position 202 – STARTER ROPE (SKU: 422655-5)

Payment & Security

American Express Apple Pay Bancontact Google Pay iDEAL Klarna Maestro Mastercard PayPal Shop Pay Union Pay Visa

Your payment information is processed securely. We do not store credit card details nor have access to your credit card information.

Estimate shipping

Customer Reviews

Be the first to write a review
0%
(0)
0%
(0)
0%
(0)
0%
(0)
0%
(0)

You may also like

Recently viewed