Išskleistas vaizdas – UC3010A

Makita
Išparduota

Kaina:
Pardavimo kaina€0,00

Aprašymas

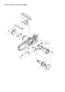
UC3010A išskleistas vaizdas UC3010A išskleistas vaizdas
  • Pozicija 001 – KAIRYSIS DĖŽUTĖ, KOMPLEKTINĖ (SKU: 210111610)
  • 002 pozicija – PRIEKINĖ RANKENA (SKU: 210310010)
  • 003 pozicija – VARŽTAS 4X18 (SKU: 913540185)
  • 004 pozicija – VARŽTAS 4X18 (SKU: 913540185)
  • 005 pozicija – VARŽTAS 4X18 (SKU: 913540185)
  • Pozicija 006 – RANKŲ APSAUGA (SKU: 210213040)
  • 007 pozicija – VARŽTAS 5X16 (SKU: 913550165)
  • 008 pozicija – POVERŽLĖ 5,5/18X1,6 (SKU: 924605510)
  • 009 pozicija – RANKOS APSAUGOS SPYRUOKLĖ (SKU: 210213030)
  • 010 pozicija – JUNGIKLIO MYGTUKAS (SKU: 210144010)
  • Pozicija 012 – spiruoklė (SKU: 225145010)
  • Pozicija 014 – ALYVOS BAKAS (SKU: 210114020)
  • 015 pozicija – ORO KREIPIKLIO PLOKŠTĖ (SKU: 210118010)
  • 017 pozicija – STATORIAUS MAZGAS 22O-240V (SKU: 970803230)
  • Pozicija 018 – JUNGTIES PLOKŠTĖ, KOMPLEKTĖ (SKU: 970803280)
  • Pozicija 019 – ANGLINIS ŠEPETĖLIS (SKU: 957823410)
  • 020 pozicija – VARŽTAS 5X65 (SKU: 913550655)
  • 021 pozicija – KONDENSATORIUS (SKU: 970109820)
  • Pozicija 022 – JUNGIKLIS (SKU: 970001200)
  • 023 pozicija – LAIDAS SU KIŠTUKU (SKU: 970102310)
  • Pozicija 025 – TRACTINO RELIEFINIS APDAILOS ...
  • 026 pozicija – PAVAROS PLOKŠTELĖ, KOMPLEKTINĖ (SKU: 210211100)
  • Pozicija 027 – ĮRANGOS KOMPLEKTĖ (SKU: 210221100)
  • 028 pozicija – BAKO KAMŠTIS, KOMPLEKTINIS (SKU: 205114202)
  • 029 pozicija – TARPIKLIS (SKU: 963100081)
  • Pozicija 030 – ALYVOS SIURBLYS (KOMPLEKTAS) (SKU: 021245003)
  • 033 pozicija – ALYVOS SIURBLIO JUNGTIS (SKU: 965451210)
  • 035 pozicija – KIŠTUKAS (SKU: 021245100)
  • 037 pozicija – O-ŽIEDAS 3,5X1 (SKU: 963203010)
  • 039 pozicija – VARANTIS RATAS, ALYVOS SIURBLYS (SKU: 210221030)
  • Pozicija 040 – STABDŽIŲ SPYRUOKLĖS LAIKIKLIS, KOMPLEKSINIS (SKU: 210213300)
  • 042 pozicija – STABDŽIŲ ŽIEDAS (SKU: 210213020)
  • Pozicija 043 – spiruoklė (SKU: 210213050)
  • 045 pozicija – POVERŽLĖ 4,3/12X1,2 (SKU: 924204320)
  • 046 pozicija – JUNGIKLIO STRYPAS (SKU: 210271080)
  • 047 pozicija – DĖŽUTĖS DEŠINYSIS KOMPLEKTAS (SKU: 210110620)
  • 048 pozicija – ETIKETĖ (SKU: 980114181)
  • 049 pozicija – ETIKETĖ (SKU: 980114348)
  • 050 pozicija – VARŽTAS 4X18 (SKU: 913540185)
  • 051 pozicija – ĮTEMPIMO SLYDYTUVAS (SKU: 001213042)
  • 052 pozicija – VARŽTAS M5X35 (SKU: 901505354)
  • 053 pozicija – STOP DISKAS 40X1 (SKU: 210224050)
  • 054 pozicija – ŽVAIGŽDUTĖ 3/8" (SKU: 210224010)
  • 056 pozicija – ŽVAIGŽDUTĖS APSAUGA (SKU: 210213100)
  • 059 pozicija – 12" PJŪKLŲ GRANDINĖ (SKU: 528092646)

You may also like

Recently viewed