Explosionszeichnung – UR101C


Preis:
Sonderpreis€0,00

Beschreibung

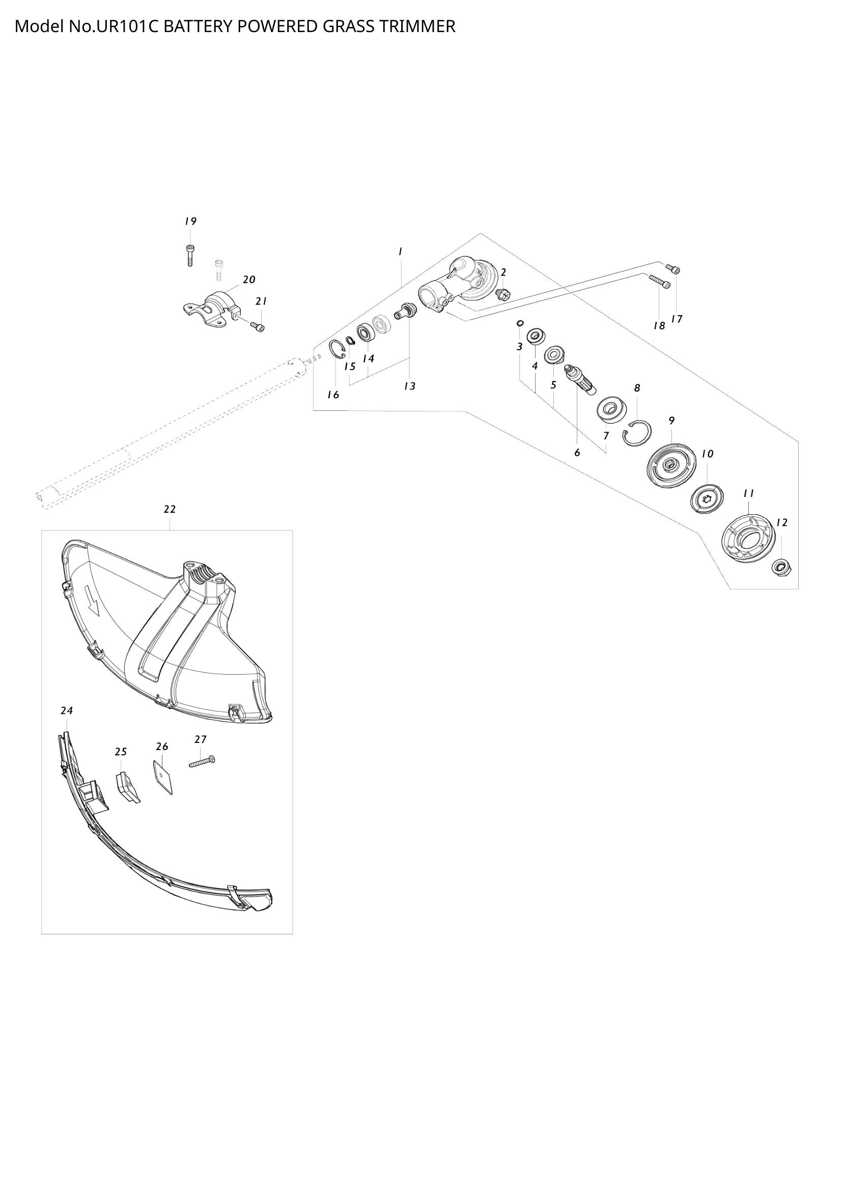
  • Position 001 – GETRIEBEGEHÄUSEBAUGRUPPE (SKU: 123853-1)
  • Position 002 – +Sechskantschraube M8x10 mit R (Artikelnummer: 265590-2)
  • Position 003 – RINGFEDER 6 (SKU: 232350-7)
  • Position 004 – KUGELLAGER 627ZZ (SKU: 210030-5)
  • Position 005 – Spiralkegelrad 19 (Artikelnummer: 221484-1)
  • Position 006 – Schneidwellenbaugruppe (SKU: 136233-2)
  • Position 007 – KUGELLAGER 6202DDW (SKU: 211228-7)
  • Position 008 – Sicherungsring R-35 (SKU: 257432-4)
  • Position 009 – ERHALTEN SIE DIE KOMPLETTUNTERLEGSCHEIBE (SKU: 144312-2)
  • Position 010 – Klemmscheibe (Artikelnummer: 347104-0)
  • Position 011 – CUP US (SKU: 457274-8)
  • Position 012 – SECHSKANT-SICHERUNGSMUTTER M10-17 (SKU: 252236-9)
  • Position 013 – Spiralkegelradbaugruppe (Artikelnummer: 136235-8)
  • Position 014 – KUGELLAGER 609ZZ (SKU: 210049-4)
  • Position 015 – Sicherungsring (außen) S-9 (SKU: 257986-1)
  • Position 016 – Sicherungsring (INT)R-24 (SKU: 257987-9)
  • Position 017 – HSHBOLT M5X14 MIT W (SKU: 922216-6)
  • Position 019 – HSHBOLT M5X25 (SKU: 251513-6)
  • Position 020 – SCHUTZKLEMME 24 (SKU: 347107-4)
  • Position 021 – HSHBOLT M5X14 MIT W (SKU: 922216-6)
  • Position 022 – PROTECTOR U 430 SET MG (SKU: 191B54-1)
  • Position 024 – PROTECTOR U EXT. 420-450 COM (SKU: 144316-4)
  • Position 025 – CUTTER-VERLÄNGERUNG (SKU: 459765-5)
  • Position 026 – CUTTER (SKU: 347115-5)
  • Position 027 – Blechschraube 5x25 (Artikelnummer: 266459-3)
  • Position 028 – GRIFF 22 KOMPLETT (SKU: 140J61-9)
  • Position 029 – KNOPF 57 (SKU: 168796-0)
  • Position 030 – Oberer Griffhalter kompl. (Artikelnummer: 144313-0)
  • Position 031 – UNTERER GRIFFHALTER (SKU: 319517-5)
  • Position 032 – DRUCKFEDER 17 (SKU: 233309-7)
  • Position 033 – ROHRHALTER (SKU: 319959-3)
  • Position 034 – ROHRSCHELLE (SKU: 318426-5)
  • Position 035 – Innensechskantschraube M5x25 (Artikelnummer: 922241-7)
  • Position 036 – SCHACHTROHR KOMPLETT I (Artikelnummer: 140S82-5)
  • Position 037 – WELLE (SKU: 327056-1)
  • Position 038 – ROHRHALTER 24 (SKU: 412305-0)
  • Position 039 – GRIFFSATZ (SKU: 183L60-0)
  • Position 040 – Anzeigekreis komplett (Artikelnummer: 140K37-2)
  • Position 041 – SCHALTKREIS KOMPLETT G (SKU: 140W06-5)
  • Position 042 – SCHALTER C3JW-1A-P-2 (SKU: 651436-2)
  • Position 043 – TORSIONSFEDER 11 (SKU: 233540-5)
  • Position 044 – SCHALTHEBEL (SKU: 459145-5)
  • Position 045 – DRUCKFEDER 4 (SKU: 233101-1)
  • Position 046 – Verriegelungshebel (Artikelnummer: 459146-3)
  • Position 047 – GRIFFSATZ (SKU: 183L60-0)
  • Position 048 – NETZKABELEINHEIT (SKU: 699132-4)
  • Position 049 – Zugentlastung (Artikelnummer: 687260-7)
  • Position 050 – Blechschraube 4x18 (Artikelnummer: 266326-2)
  • Position 051 – Blechschraube 4x18 (Artikelnummer: 266326-2)
  • Position 052 – Flachkopfschraube M5x35 (Artikelnummer: 911258-5)
  • Position 053 – TORSIONSFEDER 12 (SKU: 232589-2)
  • Position 054 – STECKERHALTER-SET (SKU: 183N86-4)
  • Position 055 – + Flache Linsenkopfschraube M (Artikelnummer: 266511-7)
  • Position 057 – STECKERHALTER-SET (SKU: 183N86-4)
  • Position 058 – Blechschraube 3x16 (Artikelnummer: 266429-2)
  • Position 059 – HSHBOLT M5X25 MIT WG (SKU: 922244-1)
  • Position 060 – Kabelhalter (Artikelnummer: 412302-6)
  • Position 061 – KLEMME (SKU: 457458-8)
  • Position 062 – KLEMME (SKU: 457458-8)
  • Position 063 – ROHRHALTERUNG (SKU: 319919-5)
  • Position 064 – Flachkopfschraube M5x20 (Artikelnummer: 911233-1)
  • Position 065 – Gummistift 4 (SKU: 263002-9)
  • Position 066 – SPINDELNABE (SKU: 325811-5)
  • Position 067 – KUGELLAGER 6001DDW (SKU: 211131-2)
  • Position 068 – SCHRÄGZAHNRAD ​​29 (SKU: 226931-7)
  • Position 069 – KUGELLAGER 6901ZZ (SKU: 211150-8)
  • Position 070 – Blechschraube 5x25 (Artikelnummer: 266459-3)
  • Position 071 – GETRIEBEBAUGRUPPE (SKU: 136230-8)
  • Position 072 – O-RING 22 (SKU: 213961-7)
  • Position 073 – SCHRÄGZAHNRAD ​​10 (SKU: 226932-5)
  • Position 074 – KUGELLAGER 608DDW (SKU: 210005-4)
  • Position 075 – ROTORBAUGRUPPE (SKU: 519587-6)
  • Position 076 – KUGELLAGER 607ZZ (SKU: 210062-2)
  • Position 077 – Blechschraube 4x18 (Artikelnummer: 266326-2)
  • Position 078 – LEITERPLATTE (SKU: 459764-7)
  • Position 079 – Blechschraube 4x18 (Artikelnummer: 266326-2)
  • Position 081 – Zugentlastung (Artikelnummer: 687051-6)
  • Position 082 – GEHÄUSEABDECKUNGSSATZ (SKU: 183N25-4)
  • Position 083 – GEHÄUSESATZ (SKU: 183N71-7)
  • Position 084 – Zugentlastung (Artikelnummer: 687149-9)
  • Position 085 – Blechschraube 4x18 (Artikelnummer: 266326-2)
  • Position 086 – MOTORGEHÄUSE (SKU: 459763-9)
  • Position 087 – CONTROLLER (SKU: 620C69-2)
  • Position 090 – Flachkopfschraube M4x6 (Artikelnummer: 911102-6)
  • Position 091 – GEHÄUSEABDECKUNGSSATZ (SKU: 183N25-4)
  • Position 092 – Blechschraube 4x18 (Artikelnummer: 266326-2)
  • Position 094 – HS-Schraube M5x20 mit WR (Artikelnummer: 922233-6)
  • Position 095 – GEHÄUSESATZ (SKU: 183N71-7)
  • Position 096 – Blechschraube 4x18 (Artikelnummer: 266326-2)
  • Position 097 – UR101C TYPENSCHILD (SKU: 856S03-4)
  • Position 101 – LEAD UNIT S (SKU: 638A31-1)
  • Position 102 – CONTROLLER BS (SKU: 620L68-8)
  • Position 103 – Flachkopfschraube M2x6 S (Artikelnummer: 652119-7)

You may also like

Recently viewed