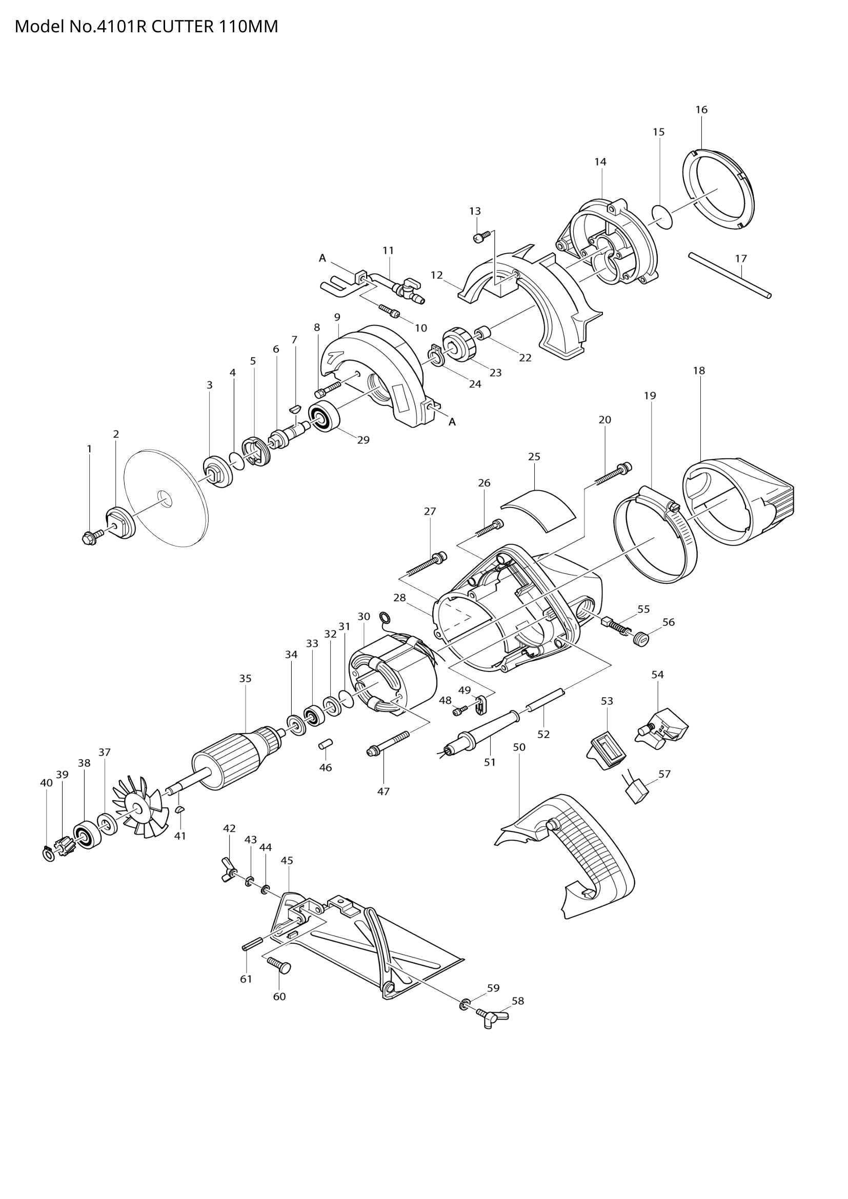
Exploded View – 4101R


Price:
Sale price€0,00

Description

  • Position 001 – HEX. FLANGE HEAD BOLT M6X17 (SKU: 265226-3)
  • Position 002 – OUTER FLANGE 36 (SKU: 224081-2)
  • Position 003 – INNER FLANGE 36 (SKU: 224080-4)
  • Position 004 – O RING 18 (SKU: 213255-0)
  • Position 005 – BEARING RETAINER 19-33 (SKU: 285815-8)
  • Position 006 – SPINDLE (SKU: 321197-5)
  • Position 007 – WOODRUFF KEY 4 (SKU: 254001-2)
  • Position 008 – + HEX. BOLT M4X25 (SKU: 925146-0)
  • Position 009 – BLADE CASE COMPLETE (SKU: 150179-8)
  • Position 010 – PAN HEAD SCREW M4X14 (SKU: 911123-8)
  • Position 012 – COVER B (SKU: 410910-7)
  • Position 013 – PAN HEAD SCREW M5X8 (SKU: 911203-0)
  • Position 016 – BAFFLE PLATE (SKU: 343289-0)
  • Position 017 – SEAL RUBBER (SKU: 423155-8)
  • Position 018 – COVER A (SKU: 414074-9)
  • Position 019 – CLAMP 90 (SKU: 163282-6)
  • Position 020 – PAN HEAD SCREW M5X35 (SKU: 911258-5)
  • Position 022 – NEEDLE BEARING 810 (SKU: 212004-2)
  • Position 023 – HELICAL GEAR 41 (SKU: 221777-6)
  • Position 024 – RETAINING RING (EXT) S-12 (SKU: 961052-5)
  • Position 025 – NAME PLATE 4101R (SKU: 856778-1)
  • Position 026 – PAN HEAD SCREW M4X25 (SKU: 911148-2)
  • Position 027 – PAN HEAD SCREW M5X40 (SKU: 911263-2)
  • Position 029 – BALL BEARING 6201DDW (SKU: 211129-9)
  • Position 031 – O RING 18 (SKU: 213262-3)
  • Position 032 – FLAT WASHER 14 (SKU: 253192-6)
  • Position 033 – BALL BEARING 608LB (SKU: 211033-2)
  • Position 034 – INSULATION WASHER (SKU: 681613-2)
  • Position 036 – FAN 68 (SKU: 241520-7)
  • Position 037 – FLAT WASHER 9 (SKU: 253741-9)
  • Position 039 – HELICAL GEAR 19 (SKU: 221776-8)
  • Position 040 – RETAINING RING (EXT) S-8 (SKU: 961004-6)
  • Position 041 – WOODRUFF KEY 3 (SKU: 254002-0)
  • Position 042 – WING NUT M6 (SKU: 252623-2)
  • Position 044 – FLAT WASHER 6 (SKU: 941151-9)
  • Position 045 – BASE (SKU: 168216-4)
  • Position 046 – RUBBER PIN 4 (SKU: 263002-9)
  • Position 047 – PAN HEAD SCREW M5X60 (SKU: 911285-2)
  • Position 048 – PAN HEAD SCREW M4X18 (SKU: 911133-5)
  • Position 053 – DUST COVER (SKU: 421329-5)
  • Position 056 – BRUSH HOLDER CAP 7-11 (SKU: 643750-0)
  • Position 058 – WING BOLT M6X10 (SKU: 251886-7)
  • Position 060 – CAP SQUARE NECK BOLT M6X20 (SKU: 251919-8)
  • Position 061 – SPRING PIN 6-32 (SKU: 951219-3)
  • Position 402 – VINYL TUBE 5X7X5000 (SKU: 412010-9)
  • Position 403 – WRENCH 22 (SKU: 781011-1)
  • Position 404 – SOCKET WRENCH 9 (SKU: 782209-3)
  • Position 500 – PIPE ASS'Y (SKU: 134589-7)

You may also like

Recently viewed