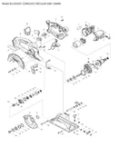
Exploded View – DSS501


Price:
Sale price€0,00
Stock:
In stock

Description

  • Position 001 – TAPPING SCREW 4X35 (SKU: 266053-1)
  • Position 002 – BRUSH HOLDER CAP (SKU: 643807-7)
  • Position 003 – CARBON BRUSH CB-430 (SKU: 191971-3)
  • Position 006 – TAPPING SCREW 4X18 (SKU: 265995-6)
  • Position 007 – DSS501 NAME PLATE (SKU: 815T90-8)
  • Position 009 – YOKE UNIT (SKU: 638420-4)
  • Position 010 – TAPPING SCREW 4X18 (SKU: 265995-6)
  • Position 012 – COMPRESSION SPRING 4 (SKU: 231469-9)
  • Position 013 – LOCK OFF LEVER (SKU: 419664-3)
  • Position 014 – SWITCH TG72BD (SKU: 651956-6)
  • Position 015 – COMPRESSION SPRING 4 (SKU: 231469-9)
  • Position 016 – SWITCH LEVER (SKU: 419665-1)
  • Position 018 – PAN HEAD SCREW M4X18 (SKU: 911133-5)
  • Position 020 – TERMINAL (SKU: 644808-8)
  • Position 022 – PAN HEAD SCREW M4X18 (SKU: 911133-5)
  • Position 023 – RUBBER RING 13 (SKU: 421977-0)
  • Position 024 – ARMATURE (SKU: 619202-3)
  • Position 025 – SHAFT LOCK (SKU: 345643-4)
  • Position 026 – COMPRESSION SPRING 6 (SKU: 233117-6)
  • Position 027 – GEAR HOUSING (SKU: 419656-2)
  • Position 028 – O RING 44 (SKU: 213560-5)
  • Position 029 – BALL BEARING 604ZZ (SKU: 210036-3)
  • Position 030 – GEAR SHAFT (SKU: 324729-7)
  • Position 031 – HELICAL GEAR 35 (SKU: 226643-2)
  • Position 032 – BALL BEARING 6900ZZ (SKU: 210080-0)
  • Position 033 – HELICAL GEAR 15 (SKU: 226635-1)
  • Position 034 – LED CIRCUIT (SKU: 631550-0)
  • Position 035 – RUBBER SLEEVE 6 (SKU: 262566-0)
  • Position 036 – SLEEVE 4 (SKU: 262563-6)
  • Position 037 – TAPPING SCREW 4X25 (SKU: 265999-8)
  • Position 038 – BLADE CASE (SKU: 318152-6)
  • Position 039 – BLOWER NOZZLE (SKU: 419935-8)
  • Position 040 – TAPPING SCREW BIND CT 4X12 (SKU: 266026-4)
  • Position 041 – BALL BEARING 696ZZ (SKU: 210006-2)
  • Position 042 – RETAINING RING S-10 (SKU: 961006-2)
  • Position 043 – HELICAL GEAR 23 (SKU: 226640-8)
  • Position 044 – SLEEVE 10 (SKU: 257760-7)
  • Position 045 – BEARING RETAINER 14-23 (SKU: 285847-5)
  • Position 046 – BALL BEARING 6900DDW (SKU: 210069-8)
  • Position 047 – O RING 26 (SKU: 213435-8)
  • Position 048 – BEARING BOX (SKU: 318087-1)
  • Position 049 – SPINDLE (SKU: 324730-2)
  • Position 050 – + COUNTERSUNK HEAD SCREW (SKU: 265034-2)
  • Position 051 – THICKNESS RING (SKU: 345470-9)
  • Position 053 – TENSION SPRING 4 (SKU: 231835-0)
  • Position 054 – SAFETY COVER (SKU: 419933-2)
  • Position 055 – FLAT WASHER 26 (SKU: 267127-1)
  • Position 056 – RETAINING RING(EXT) WR-26 (SKU: 257938-2)
  • Position 057 – INNER FLANGE 30 (SKU: 224391-7)
  • Position 058 – OUTER FLANGE 30 (SKU: 224404-4)
  • Position 059 – HEX.SOCKET HEX.BOLT M6X18 (SKU: 266458-5)
  • Position 060 – STOP RING E-8 (SKU: 961014-3)
  • Position 061 – LEVER 40 (SKU: 272229-0)
  • Position 062 – HEX. NUT M6 (SKU: 252159-1)
  • Position 063 – FLAT WASHER 6 (SKU: 941151-9)
  • Position 064 – PIPE 6 (SKU: 331733-9)
  • Position 065 – HEX. LOCK NUT M5-8 (SKU: 252103-8)
  • Position 066 – BASE COMPLETE (SKU: 158252-8)
  • Position 067 – + PAN HEAD SCREW M5 (SKU: 265056-2)
  • Position 068 – FLAT H.SQUARE NECK BOLT M6X (SKU: 266405-6)
  • Position 069 – H.S.SET SCREW(FLAT POINT)M6X (SKU: 266225-8)
  • Position 070 – CAP SQUARE NECK BOLT M6X20 (SKU: 251919-8)
  • Position 071 – SCREW M5X20 (SKU: 251896-4)
  • Position 072 – COMPRESSION SPRING 6 (SKU: 231007-7)
  • Position 073 – FLAT WASHER 6 (SKU: 941151-9)
  • Position 074 – HEX. NUT M6 (SKU: 252133-9)
  • Position 075 – LEVER 30 (SKU: 272251-7)
  • Position 076 – STOP RING E-8 (SKU: 961014-3)
  • Position 077 – FLAT WASHER 9 (SKU: 267231-6)

Payment & Security

American Express Apple Pay Bancontact Google Pay iDEAL Klarna Maestro Mastercard PayPal Shop Pay Union Pay Visa

Your payment information is processed securely. We do not store credit card details nor have access to your credit card information.

Estimate shipping

Customer Reviews

Be the first to write a review
0%
(0)
0%
(0)
0%
(0)
0%
(0)
0%
(0)

You may also like

Recently viewed