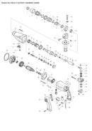
Description
- Position 002 – CHUCK COVER (SKU: 416410-5)
- Position 003 – COMPRESSION SPRING 38 (SKU: 233203-3)
- Position 004 – RING SPRING 17 (SKU: 231979-6)
- Position 005 – RING SPRING 30.5 (SKU: 231936-4)
- Position 006 – SPRING GUIDE (SKU: 323819-3)
- Position 007 – COMPRESSION SPRING 35 (SKU: 233234-2)
- Position 009 – CHUCK RING (SKU: 323820-8)
- Position 010 – PIN 8 (SKU: 256447-8)
- Position 011 – STEEL BALL 7.0 (SKU: 216022-2)
- Position 012 – GUIDE WASHER (SKU: 344690-2)
- Position 013 – SQUARE BOLT M8X60 (SKU: 266092-1)
- Position 014 – SQUARE WASHER 9 (SKU: 267719-6)
- Position 015 – BELT (SKU: 344205-5)
- Position 016 – OIL SEAL 20 (SKU: 213313-2)
- Position 017 – GRIP BASE (SKU: 415658-6)
- Position 018 – HEX. NUT M5 (SKU: 931202-6)
- Position 019 – THUMB SCREW M5X14 (SKU: 265720-5)
- Position 021 – GEAR HOUSING COMPLETE (SKU: 150965-7)
- Position 022 – TAPPING SCREW 4X45 (SKU: 266069-6)
- Position 023 – BALL BEARING 6904LLU (SKU: 211323-3)
- Position 024 – RING SPRING 26 (SKU: 231962-3)
- Position 025 – FLAT WASHER 29 (SKU: 267132-8)
- Position 026 – COMPRESSION SPRING 29 (SKU: 233109-5)
- Position 027 – SPUR GEAR 48 (SKU: 226290-9)
- Position 028 – STEEL BALL 5.6 (SKU: 216011-7)
- Position 029 – TOOL HOLDER (SKU: 323822-4)
- Position 030 – FLAT WASHER 27 (SKU: 267129-7)
- Position 031 – O RING 10 (SKU: 213063-9)
- Position 032 – IMPACT BOLT (SKU: 323818-5)
- Position 033 – O RING 11 (SKU: 213117-2)
- Position 034 – STRIKER (SKU: 322740-3)
- Position 035 – O RING 16 (SKU: 213214-4)
- Position 036 – PISTON CYLINDER (SKU: 331446-2)
- Position 037 – PIN 6 (SKU: 256099-5)
- Position 038 – NEEDLE BEARING 810 (SKU: 212005-0)
- Position 039 – CONNECTING ROD (SKU: 331447-0)
- Position 040 – CRANK SHAFT (SKU: 322741-1)
- Position 041 – BALL BEARING 699ZZ (SKU: 211098-4)
- Position 042 – FLAT WASHER 9 (SKU: 267130-2)
- Position 043 – BALL BEARING 689ZZ (SKU: 211099-2)
- Position 044 – CRANK HOUSING COMPLETE (SKU: 159761-0)
- Position 045 – THRUST NEEDLE BEARING 1224 (SKU: 212110-3)
- Position 046 – STRAIGHT BEVEL GEAR 12 (SKU: 226726-8)
- Position 047 – GEAR COVER (SKU: 415630-8)
- Position 048 – P.H.SCREW M4X16 WITH WRM (SKU: 911526-6)
- Position 049 – PAN HEAD SCREW M4X50 (SKU: 911576-1)
- Position 050 – O RING 17 (SKU: 213261-5)
- Position 051 – CHANGE LEVER COMPLETE (SKU: 152471-8)
- Position 052 – + PAN HEAD SCREW M4 (SKU: 251392-2)
- Position 053 – BALL BEARING 606ZZ (SKU: 211012-0)
- Position 054 – SPUR GEAR 10 (SKU: 226293-3)
- Position 055 – FLAT WASHER 12 (SKU: 253744-3)
- Position 056 – COMPRESSION SPRING 12 (SKU: 233089-5)
- Position 057 – CLUTCH CAM (SKU: 322743-7)
- Position 058 – FLAT WASHER 8 (SKU: 267131-0)
- Position 059 – STRAIGHT BEVEL GEAR 14 (SKU: 226725-0)
- Position 060 – COMPRESSION SPRING 8 (SKU: 233110-0)
- Position 061 – HELICAL GEAR 31 (SKU: 226434-1)
- Position 062 – O RING 67 (SKU: 213720-9)
- Position 063 – INNER HOUSING COMPLETE (SKU: 159760-2)
- Position 064 – BALL BEARING 609LLB (SKU: 211051-0)
- Position 065 – FAN 60 (SKU: 241883-1)
- Position 068 – BALL BEARING 607LLB (SKU: 211021-9)
- Position 069 – FLAT WASHER 14 (SKU: 253842-3)
- Position 070 – BAFFLE PLATE (SKU: 415628-5)
- Position 071 – FIELD ASS'Y 220V (SKU: 593313-1)
- Position 072 – TAPPING SCREW 4X60 (SKU: 266052-3)
- Position 074 – NAME PLATE HR2413 (SKU: 851598-8)
- Position 077 – BRUSH HOLDER (SKU: 643923-5)
- Position 078 – SWITCH LEVER (SKU: 415629-3)
- Position 079 – NOISE SUPPRESSOR (SKU: 645253-0)
- Position 081 – HANDLE COVER (SKU: 415627-7)
- Position 082 – TAPPING SCREW 4X20 (SKU: 266045-0)
- Position 083 – TAPPING SCREW 4X18 (SKU: 265995-6)
Payment & Security
Your payment information is processed securely. We do not store credit card details nor have access to your credit card information.
