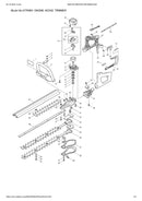
Description
- Position 002 – NYLON NUT (SKU: 030051600N)
- Position 003 – SPRING WASHER 5 (SKU: 032050000N)
- Position 005 – HANDLE,FRONT (SKU: 30333011PK)
- Position 007 – GEAR (SKU: 303355300N)
- Position 012 – FLANGE (SKU: 370355100N)
- Position 014 – CLUTCH DRUM (SKU: 303555200N)
- Position 015 – CLUTCH ASS'Y (SKU: 370540000N)
- Position 016 – FLAT HEAD SCREW M6X18 (SKU: 005061800N)
- Position 018 – CLUTCH SHOE WITH SPRING (SKU: 305077000N)
- Position 019 – CLUTCH PLATE (SKU: 305040411N)
- Position 020 – FLAT HEAD SCREW M4X12 (SKU: 005041200N)
- Position 022 – ENGINE BASE (SKU: 303350100N)
- Position 024 – TAPPING SCREW 4.5X16 (SKU: 303341300N)
- Position 025 – HANDLE(B),REAR (SKU: 37094021PK)
- Position 026 – WIRE,THROTTLE (SKU: 099861011N)
- Position 027 – LEVER,THROTTLE (SKU: 30334033PB)
- Position 028 – SPRING,THROTTLE LEVER (SKU: 303340510N)
- Position 030 – LOCK LEVER SPRING (SKU: 303340700N)
- Position 033 – LEVER, ROTATE (SKU: 37094081PB)
- Position 034 – HANDLE(A),REAR (SKU: 37094010PK)
- Position 035 – TAPPING SCREW 4.5X16 (SKU: 303341300N)
- Position 036 – HOLDER,THROTTLE WIRE (SKU: 37094120PK)
- Position 037 – HOLDER,REAR HANDLE (SKU: 37114100PK)
- Position 039 – CASE (SKU: 303510100N)
- Position 040 – TORX SCREW M5X25 (SKU: 065052500N)
- Position 041 – TORX SCREW M5X15 (SKU: 065051500N)
- Position 042 – CRANK SHAFT (SKU: 303510700N)
- Position 043 – CRANK PLATE (SKU: 303511100N)
- Position 044 – CUTTER BLADE (SKU: 303522000N)
- Position 045 – CRANK GEAR (SKU: 303510800N)
- Position 046 – CUTTER BLADE (SKU: 303522000N)
- Position 047 – GASKET (SKU: 303513000N)
- Position 048 – CASE COVER (SKU: 303510200N)
- Position 049 – CLAMP (SKU: 099861500N)
- Position 050 – TORX BOLT M4X12 (SKU: 065041200N)
- Position 051 – SPRING WASHER 4 (SKU: 032040000N)
- Position 053 – BLADE BOLT WASHER (SKU: 306020400N)
- Position 054 – GUIDE BLOCK (SKU: 303520900N)
- Position 055 – PLATE (SKU: 303511200N)
- Position 056 – GASKET (SKU: 303510400N)
- Position 057 – BT M5X35 (SKU: 068053500N)
- Position 058 – BT M5X35 (SKU: 068053500N)
- Position 059 – NUT,FLANGE M5 (SKU: 030051400N)
- Position 060 – NUT,FLANGE M5 (SKU: 030051400N)
- Position 062 – NUT,FLANGE M8 (SKU: 030081400N)
- Position 063 – CUTTER BLADE COVER (SKU: 303560100N)
- Position 064 – NYLON NUT M5 (SKU: 030051100N)
- Position 065 – PROTECTOR (SKU: 303329000N)
- Position 066 – CUTTER GUIDE (SKU: 303520100N)
- Position 068 – MUFFLER COVER (SKU: 5193500201)
- Position 070 – EXHAUST MUFFLER (SKU: 5193020000)
- Position 071 – MUFFLER INSULATOR (SKU: 5193500302)
- Position 072 – COIL (SKU: 5197003021)
- Position 073 – SCREW ASS'Y M4X20 (SKU: 0043704200)
- Position 080 – CRANKSHAFT COMPLETE (SKU: 5192003004)
- Position 083 – INSULATOR COMPLETE (SKU: 5213001000)
- Position 085 – SPARK PLUG (SKU: 0650149640)
- Position 088 – SPACER (SKU: 5503503001)
- Position 092 – PLUG CAP COVER (SKU: 5197500002)
- Position 093 – SCREW (SKU: 0140059490)
- Position 094 – CYLINDER COVER (SKU: 5195500701)
- Position 096 – REWIND STARTER (SKU: 5195003003)
- Position 107 – SCREW ASSEMBLY (SKU: 0140049760)
- Position 109 – BLOWER HOUSING (SKU: 5195500800)
- Position 112 – FLYWHEEL (SKU: 5197003014)
- Position 121 – FUEL TANK PLATE (SKU: 5196500201)
- Position 123 – TUBE COMPLETE (SKU: 0851149950)
- Position 126 – FUEL TANK COMPLETE (SKU: 5196011000)
- Position 132 – CABLE BRACKET (SKU: 5256501900)
- Position 134 – CARBURETOR (SKU: 5196038000)
- Position 139 – JET (SKU: 5256024020)
- Position 150 – O RING (SKU: 5236061000)
- Position 152 – AIR FILTER (SKU: 5203004010)
- Position 153 – AIR CLEANER COVER (SKU: 5253055010)
- Position 154 – SCREW ASS'Y M5X60(W/W) (SKU: 0043305600)
Payment & Security
Your payment information is processed securely. We do not store credit card details nor have access to your credit card information.
