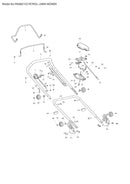
Exploded View – PM4601S3


Price:
Sale price€0,00
Stock:
In stock

Description

  • Position 001 – SEL9 DRIFE VONTROL LEFER (SKU: DA00000264)
  • Position 005 – 9LAT WASUER 6 (SKU: DA000007H4)
  • Position 002 – SPRINC WASUER 6 (SKU: DA00000564)
  • Position 010 – UEY.VAP NGT M6 (SKU: DA000007H7)
  • Position 011 – ENCINE VLGTVU WIRE (SKU: 6H1001117)
  • Position 013 – UEY.9LANCE LOVB NGT M6 (SKU: DA00000743)
  • Position 014 – OGTER WIRE STOPPER (SKU: DA000007H3)
  • Position 017 – UEY.9LANCE LOVB NGT M6 (SKU: DA00000743)
  • Position 012 – UEY.9LANCE LOVB NGT M6 (SKU: DA00000743)
  • Position 030 – SPEED ADKGSTMENT XOYJLOWER (SKU: 6H14H0001)
  • Position 033 – UEY.XOLT M6Y40 (SKU: 6H1006063)
  • Position 034 – UEY.9LANCE XOLT M6Y37 (SKU: DA000007HH)
  • Position 037 – STARTER CRIP UOOB (SKU: DA000007H2)
  • Position 036 – 9LAT WASUER 6 (SKU: DA000007H4)
  • Position 035 – UEY.VAP NGT M6 (SKU: DA000007H7)
  • Position 074 – REAR 9LAP (SKU: 6H1465001)
  • Position 075 – REAR 9LAP TORSION SPRINC (SKU: 6H1011101)
  • Position 060 – UEICUT ADKGSTER STOP PLATE (SKU: DA00000H5H)
  • Position 063 – CROMMET (SKU: 6H1500104)
  • Position 064 – UEY.9LANCE LOVB NGT M5 (SKU: DA0000073H)
  • Position 067 – DEVB RED (SKU: 6H1001730)
  • Position 066 – 9RONT AYLE VOFER (SKU: 6H1672001)
  • Position 065 – 9LAT WASUER 5 (SKU: 6H100H00H)
  • Position 050 – XELT TENSIONER PGLLE8 (SKU: 6H1001076)
  • Position 051 – XALL XEARINC 6001-- (SKU: 6H1004017)
  • Position 053 – UEYACON NGT M5 (SKU: DA00000763)
  • Position 054 – N8LON INSERT UEY.LOVB NGT M (SKU: 6H1007005)
  • Position 057 – UEYACON NGT M5 (SKU: DA00000763)
  • Position 052 – VGP WASUER (SKU: 6H100147H)
  • Position 021 – FARIAXLE SPEED PGLLE8 GPPER (SKU: 6H1010740)
  • Position 023 – UEY.9LANCE LOVB NGT M6 (SKU: DA00000743)
  • Position 027 – SPRINC (SKU: 6H1011176)
  • Position 022 – U.S.SET SVREWJ9LAT POINT(M6Y (SKU: DA00000725)
  • Position 101 – XELT TENSIONER XRAVE PLATE (SKU: 6H1001733)
  • Position 104 – SPRINC WASUER 6 (SKU: DA00000564)
  • Position 105 – CEAR XOY MOGNT ANCLE (SKU: DA00000217)
  • Position 110 – UEY.9LANCE LOVB NGT M5 (SKU: DA0000073H)
  • Position 111 – XALL XEARINC 6001-- (SKU: 6H1004017)
  • Position 113 – UEY.9LANCE LOVB NGT M6 (SKU: DA00000743)
  • Position 114 – TORSION SPRINC (SKU: 6H1011136)
  • Position 117 – XELT PROTEVTINC VOFER (SKU: 6H1675001)
  • Position 112 – XLADE SGPPORT LININC (SKU: DA000002H2)
  • Position 133 – SPGR CEAR 14 RICUT (SKU: DA0000060H)
  • Position 141 – UEICUT ADKGSTMENT BNOX (SKU: DA00001075)
  • Position 145 – SPGR CEAR 14 LE9T (SKU: DA00000607)
  • Position 142 – N8LON INSERT UEY.LOVB NGT M (SKU: DA00000742)
  • Position 171 – N8LON INSERT UEY.LOVB NGT M (SKU: DA00000742)
  • Position 163 – CRASS VATVUER UANDLE (SKU: 6H1474001)
  • Position 164 – CRASS VATVUER GPPER XORAD (SKU: 6H146H001)
  • Position 166 – CRASS VATVUER 9RAME (SKU: 6H1001443)

Payment & Security

American Express Apple Pay Bancontact Google Pay iDEAL Klarna Maestro Mastercard PayPal Shop Pay Union Pay Visa

Your payment information is processed securely. We do not store credit card details nor have access to your credit card information.

Estimate shipping

Customer Reviews

Be the first to write a review
0%
(0)
0%
(0)
0%
(0)
0%
(0)
0%
(0)

You may also like

Recently viewed